Baile > Táirgí > Cut > Cnó Flange Heicseagán > Cnó flange heicsidheachúlach
        Cnó flange heicsidheachúlach
        • Cnó flange heicsidheachúlachCnó flange heicsidheachúlach
        • Cnó flange heicsidheachúlachCnó flange heicsidheachúlach
        • Cnó flange heicsidheachúlachCnó flange heicsidheachúlach

        Cnó flange heicsidheachúlach

        Is cnó heicseagáin é cnó flange heicsidheachúlach le aghaidh flange a leanann méid méadrach. Soláthraíonn monaróir Xiaoguo® cnónna flange heicseagán méadrach a chomhlíonann na caighdeáin, agus tá pearsanra gairmiúla ar fáil i gcónaí chun ceisteanna a fhreagairt.
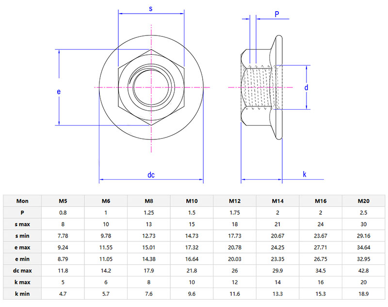
        Mionsamhail:ASME/ANSI B18.2.4.4M-1982

        Seol Fiosrúchán

        Cur síos ar an Táirge

        Úsáideann oibrithe meicniúla agus tógála cnó flange heicsidheach méadrach i dtimpeallachtaí ardchreathadh. Coinníonn an flange an dromchla go docht, ag laghdú an baol a bhaineann leis an gcnó a scaoileadh, agus cuireann an snáithe méadrach in oiriúint do na boltaí caighdeánacha, mar sin ní gá duit toisí speisialta a shaincheapadh.

        Metric hex flange nut

        Sonraí agus paraiméadair an táirge

        Is meascán de chnó heics caighdeánach agus flange tógtha (washer) é an cnó flange heicsidheach méadrach. Is féidir leis an brú a dháileadh chun an dromchla a chosaint agus an cnó a chosc ó scaoileadh mar gheall ar chreathadh. Tá sé ar fáil i cruach agus cruach dhosmálta le húsáid in innealra, feithiclí nó tógála. Cuireann flanges deireadh leis an ngá atá le gaiscéid ar leithligh, rud a shábháil am suiteála agus líon na gcodanna.

        Úsáideann feirmeoirí agus oibrithe talmhaíochta cnó feansaí méadrach heicsidheachúlach i dtaracóirí, i mbainteoirí agus i gcórais uisciúcháin. Cuireann flanges cosc ​​ar chnónna a scaoileadh i dtimpeallachtaí dusty nó láibeach, agus oireann snáitheanna méadracha don chuid is mó de na boltaí trealaimh feirme. Tá sé láidir go leor chun caitheamh agus cuimilt laethúil a sheasamh, ach simplí go leor chun oibriú agus go gcuirfí in ionad é go díreach sa réimse. Cibé an bhfuil céachta nó silos gráin á ndeisiú, sábhálann na cnónna seo am d'úsáideoirí.

        Úsáidtear cnó flange heicsidheachúlach méadrach i leictreonaic agus róbataic. Coinníonn an flange an cnó cobhsaí ar phainéal tanaí nó bord ciorcad gan ró-ghéarú. Cloíonn toisí méadracha le sonraíochtaí beachta innealtóireachta, rud atá riachtanach do threalamh beachtas. Úsáideann lucht caitheamh aimsire agus gairmithe é i drones, printéirí 3D, nó córais uathoibrithe nuair is féidir le creathadh cur isteach ar ailíniú cnónna.



        Metric hex flange nut

        Ár dáileadh margaidh

        Margadh
        Na Coimisinéirí Ioncaim (An bhliain roimhe sin)
        Ioncam Iomlán (%)
        Meiriceá Thuaidh
        Faoi rún
        15
        Meiriceá Theas
        Faoi rún
        10
        Oirthear na hEorpa
        Faoi rún
        12
        Oirdheisceart na hÁise
        Faoi rún
        10
        Lár-Oirthear
        Faoi rún
        7
        Oirthear na hÁise
        Faoi rún
        17
        Iarthar na hEorpa
        Faoi rún
        15
        Áise Theas
        Faoi rún
        6
        Margadh Baile
        Faoi rún
        8

        Leideanna Cothabhála

        Seiceáil an cnó flange heicsidheachúlach le haghaidh flanges meirge nó lúbtha. Ionadaigh má tá stiallacha snáitheanna nó scoilteanna an flange. I gcás timpeallachtaí goirt amháin, roghnaigh cruach dhosmálta. Glan snáitheanna le scuab sreinge má mhéadaíonn smionagar. Seachain ró-ghéarú ar ábhair bhoga mar phlaisteach. Brúigh an flange cothrom i gcoinne an dromchla agus níos doichte le eochair. Déanann an flange féin-ailíniú ar spotaí míchothrom. Bain úsáid as eochair chasmhóiminte le haghaidh ualaí troma chun snáitheanna a bhaint astu.


        Hot Tags: Cnó flange heicsidheachúlach, an tSín, Monaróir, Soláthraí, Monarcha
        Catagóir Gaolmhar
        Seol Fiosrúchán
        Ná bíodh drogall ort d’fhiosrúchán a thabhairt san fhoirm thíos. Tabharfaimid freagra duit i 24 uair an chloig.
        X
        Úsáidimid fianáin chun eispéireas brabhsála níos fearr a thairiscint duit, chun anailís a dhéanamh ar thrácht an tsuímh agus chun inneachar a phearsantú. Trí úsáid a bhaint as an suíomh seo, aontaíonn tú lenár n-úsáid a bhaint as fianáin. Beartas Príobháideachta
        Diúltaigh Glac