Baile > Táirgí > Bioráin > Bioráin bhabhta > Te Díol Pionnaí Clevis
        Te Díol Pionnaí Clevis
        • Te Díol Pionnaí ClevisTe Díol Pionnaí Clevis
        • Te Díol Pionnaí ClevisTe Díol Pionnaí Clevis

        Te Díol Pionnaí Clevis

        Ligeann a ndearadh gur féidir cóimeáil agus díchóimeáil tapa a dhéanamh in feidhmeanna cosúil le hais tarracóra nó meicníochtaí dorais. Cuidíonn Pionnaí Clevis Díol Te is nua ón tSín XIAOGUO le cothabháil éifeachtach a choinneáil.

        Seol Fiosrúchán

        Cur síos ar an Táirge

        Tá ábhair éagsúla againn le haghaidh na Hot Selling Clevis Pins seo, ag brath ar an méid a theastaíonn uait. Maidir le húsáid thionsclaíoch laethúil, is rogha choitianta é cruach carbóin - tá sé láidir agus éifeachtach ó thaobh costais. Má tá tú ag obair in áiteanna tais nó creimneach, tá gráid cruach dhosmálta cosúil le 304 nó 316 níos fearr mar go gcuireann siad in aghaidh meirge go maith. I gcásanna nach féidir leat páirteanna maighnéadacha a úsáid, is rogha é práis - is minic a úsáidtear é i socruithe leictreacha nó beachtas. Nuair a bhíonn neart breise ag teastáil uait, mar shampla i bpoist aeraspáis nó ard-strus, tá cruach cóimhiotail ar fáil. Comhlíonann na bioráin go léir a chuirimid ar fáil caighdeáin mar ISO 2341, agus mar sin comhlíonann siad go hiontaofa cibé acu is post ginearálta nó poist speisialta é. Ní dhéanaimid ach an t-ábhar a mheaitseáil leis an méid atá de dhíth ar do thionscadal.

        Cóireáil Dromchla Táirge

        Cuirimid bailchríocha dromchla éagsúla ar fáil do na Pionnaí Clevis Díol Te seo, go príomha chun go mairfidh siad níos faide agus go gcuirfidh siad in aghaidh meirge. Rogha choitianta is ea plating since - tugann sé cosaint bhunúsach agus tá sé inacmhainne do phoist ghinearálta. I gcás coinníollacha níos déine lasmuigh nó in aice le huisce, cuirtear ciseal níos tiús i bhfeidhm ar ghalbhánú te-tumtha. Maidir le bioráin cruach dhosmálta, is féidir linn pasivation a dhéanamh chun cabhrú leo seasamh in aghaidh creimeadh níos fearr.

        I measc na roghanna eile tá bailchríoch ocsaíd dhubh, rud a chuireann roinnt friotaíocht caitheamh agus a thugann dath dorcha, a úsáidtear go minic ar chodanna meaisín. Le haghaidh úsáidí níos déine mar aeraspáis nó trealamh beachta, tá nicilphlátáil cheimiceach ar fáil - clúdaíonn sé go cothrom agus cuireann sé cruas leis.

        Cuidíonn na bailchríocha seo leis na bioráin caighdeáin choiteanna tionscail a chomhlíonadh, agus mar sin oibríonn siad i ngach rud ó shuiteálacha laethúla go coinníollacha crua.

        Seisiún C&A

        C: Cad iad na hiarratais is coitianta maidir le Hot Selling Clevis Pins?

        A: Tá siad thar a bheith oiriúnach chun pointí maighde agus nascála slán inbhainte a chruthú. Gheobhaidh tú go coitianta iad a úsáidtear i slata rialaithe, córais hiodrálacha, iarratais tarraingthe, agus innealra talmhaíochta nuair is gá bioráin a chur isteach go héasca agus a dhaingniú le bioráin cotter.

        Hot Selling Clevis Pins


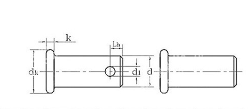
        aonad: mm
        d uas 3 4 5 6 8 10 12 14 16 18 20
        nóim 2.94 3.925 4.925 5.925 7.91 9.91 11.89 13.89 15.89 17.89 19.87
        dk uas 5 6 8 10 12 14 16 18 20 22 25
        nóim 4.7 5.7 7.64 9.64 11.57 13.57 15.57 17.57 19.48 21.48 24.48
        k ainmneach 1.5 2 2.5 3 3.5 4
        uas 1.625 2.125 2.625 3.125 3.65 4.15
        nóim 1.375 1.875 2.375 2.875 3.35 3.85
        d1 nóim 1.6 2 3.2 4 5 5
        uas 1.74 2.14 3.38 4.18 5.18 5.18
        Lh nóim 1.6 2.2 2.9 3.2 3.5 4.5 5.5 6 6 7 8







        Hot Tags: Te Díol Pionnaí Clevis, an tSín, Monaróir, Soláthraí, Monarcha
        Catagóir Gaolmhar
        Seol Fiosrúchán
        Ná bíodh drogall ort d’fhiosrúchán a thabhairt san fhoirm thíos. Tabharfaimid freagra duit i 24 uair an chloig.
        X
        Úsáidimid fianáin chun eispéireas brabhsála níos fearr a thairiscint duit, chun anailís a dhéanamh ar thrácht an tsuímh agus chun inneachar a phearsantú. Trí úsáid a bhaint as an suíomh seo, aontaíonn tú lenár n-úsáid a bhaint as fianáin. Beartas Príobháideachta
        Diúltaigh Glac