Baile > Táirgí > Bioráin > Bioráin bhabhta > Pionnaí Clevis Ard-Teanntachta
        Pionnaí Clevis Ard-Teanntachta
        • Pionnaí Clevis Ard-TeanntachtaPionnaí Clevis Ard-Teanntachta
        • Pionnaí Clevis Ard-TeanntachtaPionnaí Clevis Ard-Teanntachta

        Pionnaí Clevis Ard-Teanntachta

        Is féidir an Bioráin Clevis Ard-Teanntachta seo a dhíchóimeáil agus a athshuiteáil go minic, rud a fhágann go bhfuil sé buntáisteach é a athúsáid. Is féidir leat Pionnaí Clevis Ard-Teanntachta a ordú go muiníneach ó Xiaoguo, agus gheobhaidh tú taithí den scoth le cáilíocht ráthaithe.

        Seol Fiosrúchán

        Cur síos ar an Táirge

        Is féidir linn deimhniú cigireachta a sholáthar do na Pionnaí Clevis Ard-Teanntachta seo más gá. Liostaíonn an deimhniú na príomhthorthaí tástála: cad as a bhfuil an t-ábhar déanta, a airíonna meicniúla cosúil le neart agus cruas, agus deimhnítear go bhfuil na toisí criticiúla go léir i gceart. Sonraíonn sé freisin na caighdeáin, cosúil le ISO 2341, a chomhlíonann an táirge.

        Baineann gach teastas le baisc táirgeachta ar leith agus tá uimhir uathúil aige ionas gur féidir é a rianú siar. Is taifead é a thaispeánann go ndeachaigh na bioráin thar na seiceálacha caighdeánacha ó ábhar go dtí an táirge críochnaithe. Is rogha é teastas a fháil le do Phionnaí Clevis Ard-Teanntachta, atá úsáideach do phoist a dteastaíonn páipéarachas foirmiúil uathu, cibé acu le haghaidh úsáid thionsclaíoch laethúil nó feidhmeanna níos déine.

        High Tensile Clevis Pins

        Úsáidí Táirge

        Úsáidtear an cineál bioráin seo go coitianta chun comhpháirteanna a nascadh i meaisíní a dteastaíonn rothlú nó pivoting orthu. I dtrealamh tionscail éagsúla, is minic a úsáidtear é chun lúibíní, slata, nó luamháin a nascadh le haghaidh gluaisteán agus trucailí, úsáidtear é le haghaidh comhpháirteanna fionraí, naisc coscáin, feistí stiúrtha, etc.

        Úsáideann trealamh feirme cosúil le céachta tarracóra agus buainteoirí é freisin. San aeraspáis, d'fhéadfaí é a úsáid le haghaidh páirteanna gluaisteacha áirithe i gcórais aerárthaí. Faightear é freisin ar bháid, i rigging agus i roinnt páirteanna innill, toisc go bhfanann sé faoi ghlas go maith.

        Go bunúsach, tá Pionnaí Clevis Ard-Teanntachta áisiúil nuair a bhíonn nasc soladach ag teastáil uait a d'fhéadfadh go mbeadh ort a thógáil óna chéile níos déanaí, agus a d'fhéadfadh croitheadh ​​​​agus úsáid rialta a láimhseáil.

        Seisiún C&A

        C: Cad é an pacáistiú caighdeánach do do bhioráin scoilte ard-neart?

        Freagra: Bainimid úsáid as boscaí cairtchláir láidre de ghnáth chun bioráin scoilte ard-neart a phacáistiú, agus go ginearálta roinntear an modh pacáistithe de réir méid agus cainníocht (mar shampla, 100 píosa in aghaidh an bhosca).

        Le haghaidh orduithe mórchóir, déanfaimid bioráin scoilte ard-neart a phacáil isteach sa phríomhchartán agus cuirfimid ar phailléid iad chun iompar sábháilte agus éascaíocht láimhseála a chinntiú.

        High Tensile Clevis Pins


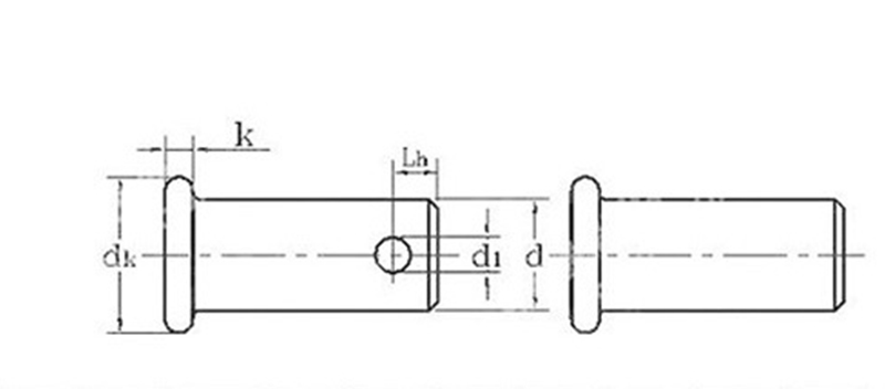
        aonad: mm
        d uas 3 4 5 6 8 10 12 14 16 18 20
        nóim 2.94 3.925 4.925 5.925 7.91 9.91 11.89 13.89 15.89 17.89 19.87
        dk uas 5 6 8 10 12 14 16 18 20 22 25
        nóim 4.7 5.7 7.64 9.64 11.57 13.57 15.57 17.57 19.48 21.48 24.48
        k ainmneach 1.5 2 2.5 3 3.5 4
        uas 1.625 2.125 2.625 3.125 3.65 4.15
        nóim 1.375 1.875 2.375 2.875 3.35 3.85
        d1 nóim 1.6 2 3.2 4 5 5
        uas 1.74 2.14 3.38 4.18 5.18 5.18
        Lh nóim 1.6 2.2 2.9 3.2 3.5 4.5 5.5 6 6 7 8




        Hot Tags: Pionnaí Clevis Ard-Teanntachta, An tSín, Monaróir, Soláthraí, Monarcha
        Catagóir Gaolmhar
        Seol Fiosrúchán
        Ná bíodh drogall ort d’fhiosrúchán a thabhairt san fhoirm thíos. Tabharfaimid freagra duit i 24 uair an chloig.
        X
        Úsáidimid fianáin chun eispéireas brabhsála níos fearr a thairiscint duit, chun anailís a dhéanamh ar thrácht an tsuímh agus chun inneachar a phearsantú. Trí úsáid a bhaint as an suíomh seo, aontaíonn tú lenár n-úsáid a bhaint as fianáin. Beartas Príobháideachta
        Diúltaigh Glac