Baile > Táirgí > Bioráin > Bioráin bhabhta > Pionnaí Clevis Meaisínithe CNC
        Pionnaí Clevis Meaisínithe CNC
        • Pionnaí Clevis Meaisínithe CNCPionnaí Clevis Meaisínithe CNC
        • Pionnaí Clevis Meaisínithe CNCPionnaí Clevis Meaisínithe CNC

        Pionnaí Clevis Meaisínithe CNC

        2.CNC machined Is bioráin acastóra iad bioráin Clevis le cinn chothromaithe, daingnithe ag poill bioráin agus bioráin cotter nó cnónna glais. Úsáidtear iad go coitianta chun comhpháirteanna meicniúla a nascadh mar naisc agus airm rialaithe. Tá bioráin Clevis meaisínithe CNC Xiaoguo meaisínithe CNC chun cruinneas ard agus neart a chinntiú, ionas gur féidir leat a cheannach le muinín.

        Seol Fiosrúchán

        Cur síos ar an Táirge

        Déanaimid Pionnaí Clevis Meaisínithe CNC a stocáil i roinnt méideanna coitianta, le trastomhais a théann ó thart ar M3 go M24 agus faid ó 10mm suas go 200mm, agus mar sin beidh siad oiriúnach don chuid is mó de na poill chaighdeánacha. Déantar na codanna tábhachtacha cosúil le méid an chinn agus an fad shank chun na sonraíochtaí is gnách a mheaitseáil.

        CNC Machined Clevis Pins

        I gcás poist éagsúla, tá gráid éagsúla againn. Tá grád rialta ann le húsáid ó lá go lá agus grád níos cruinne nuair a bhíonn feisteas níos déine de dhíth ort, mar atá i gcarranna nó in aerárthaí. Déantar iad go léir de réir comhrialacha mar ISO 2341, mar sin faigheann tú an rud céanna gach uair. Ciallaíonn sé seo go díreach go ndéantar ár bPionnaí Clevis Machined CNC chun oibriú le lúibíní agus páirteanna caighdeánacha sa chuid is mó den trealamh.

        Rialú cáilíochta táirge

        Reáchtálaimid seiceálacha caighdeánacha cáilíochta ar na Pionnaí Clevis CNC Machined seo chun a chinntiú go n-oibríonn siad i gceart. Déantar gach ceann a thomhas le haghaidh rudaí cosúil le trastomhas, fad, agus socrúcháin poll chun a chinntiú go bhfuil na méideanna ceart. Déanaimid tástáil freisin ar an ábhar féin chun a sheiceáil go bhfuil sé den chineál ceart agus go bhfuil sé láidir agus crua go leor.

        Breathnaímid thar an dromchla le haghaidh aon scratches, imill garbh, nó marcanna eile a d'fhéadfadh a bheith ina fhadhb. Déantar gach rud de réir rialacha comhchoiteanna tionscail ar nós ISO 2341. Coinnímid taifead de na tástálacha do gach baisc ionas gur féidir linn é a rianú níos déanaí.

        Tar éis dul trí na seiceálacha seo, tá na Pionnaí Clevis Machined CNC go maith chun dul i gcomhair poist rialta nó iarratais níos déine nuair is gá iad a choinneáil suas.

        Seisiún C&A

        C: Cad iad na caighdeáin a chomhlíonann do Phionnaí Clevis Meaisínithe CNC?

        A: Déantar ár bPionnaí Clevis Meaisínithe CNC caighdeánacha a mhonarú chun sonraíochtaí mar ISO 2341 nó ANSI B18.8.1 a chomhlíonadh. Cinntíonn sé seo toisí comhsheasmhacha maidir le trastomhas an bhioráin, an ceann agus an poll, rud a chinntíonn oiriúnacht iontaofa agus idirmhalartaithe i do chomhthionóil.

        CNC Machined Clevis Pins


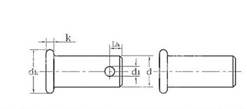
        aonad: mm
        d uas 3 4 5 6 8 10 12 14 16 18 20
        nóim 2.94 3.925 4.925 5.925 7.91 9.91 11.89 13.89 15.89 17.89 19.87
        dk uas 5 6 8 10 12 14 16 18 20 22 25
        nóim 4.7 5.7 7.64 9.64 11.57 13.57 15.57 17.57 19.48 21.48 24.48
        k ainmneach 1.5 2 2.5 3 3.5 4
        uas 1.625 2.125 2.625 3.125 3.65 4.15
        nóim 1.375 1.875 2.375 2.875 3.35 3.85
        d1 nóim 1.6 2 3.2 4 5 5
        uas 1.74 2.14 3.38 4.18 5.18 5.18
        Lh nóim 1.6 2.2 2.9 3.2 3.5 4.5 5.5 6 6 7 8



        Hot Tags: Pionnaí Clevis Meaisínithe CNC, An tSín, Monaróir, Soláthraí, Monarcha
        Catagóir Gaolmhar
        Seol Fiosrúchán
        Ná bíodh drogall ort d’fhiosrúchán a thabhairt san fhoirm thíos. Tabharfaimid freagra duit i 24 uair an chloig.
        X
        Úsáidimid fianáin chun eispéireas brabhsála níos fearr a thairiscint duit, chun anailís a dhéanamh ar thrácht an tsuímh agus chun inneachar a phearsantú. Trí úsáid a bhaint as an suíomh seo, aontaíonn tú lenár n-úsáid a bhaint as fianáin. Beartas Príobháideachta
        Diúltaigh Glac