Baile > Táirgí > Fáinne Deiridh > Fáinne coinneála dochta > Collar seafta ceangailte bolt
      Collar seafta ceangailte bolt
      • Collar seafta ceangailte boltCollar seafta ceangailte bolt
      • Collar seafta ceangailte boltCollar seafta ceangailte bolt

      Collar seafta ceangailte bolt

      Cinntíonn collar seafta atá ceangailte le bolt dáileadh ualach iontaofa agus cuireann sé cosc ​​ar ghluaiseacht cliathánach neamhbheartaithe in iarratais thionsclaíocha ard-chasmhóiminte. Déanann Xiaoguo® speisialtóireacht i dtáirgeadh agus i ndíolachán táirgí ceanglóra, agus bhuaigh sé an t -iniúchadh cáilíochta bliantúil mar mhonaróir agus soláthróir fabht nialasach.
      Mionsamhail:GB/T 885-1986

      Seol Fiosrúchán

      Cur síos ar an Táirge

      Ancollar seafta greamaithe boltÚsáidtear cruach chóimhiotail rialta nó cruach dhosmálta. Fágann na hábhair seo go bhfuil sé go maith faoi bhrú agus go seachnóidh sé meirgiú. Teasann siad le cóireáil a dhéanamh ar an dromchla chun é a dhéanamh níos déine-ag bualadh thart ar 45-50 HRC cruas (mar sin níl sé ag dlúthú nuair a bhrúnn tú go crua é). Láimhseálann cineálacha cruach dhosmálta coinníollacha messy níos fearr, cosúil le háiteanna le ceimiceáin nó taise, ós rud é go bhfuil siad níos lú. Láimhseálann an miotal strus arís agus arís eile gan caitheamh amach go tapa. Toisc go bhfuil sé righin agus beagán bendy, gheobhaidh tú na coiléar seo i bhfearas fos, i gcodanna gluaiseachta, agus fiú rudaí a ritheann i dtréimhsí te nó fuar.


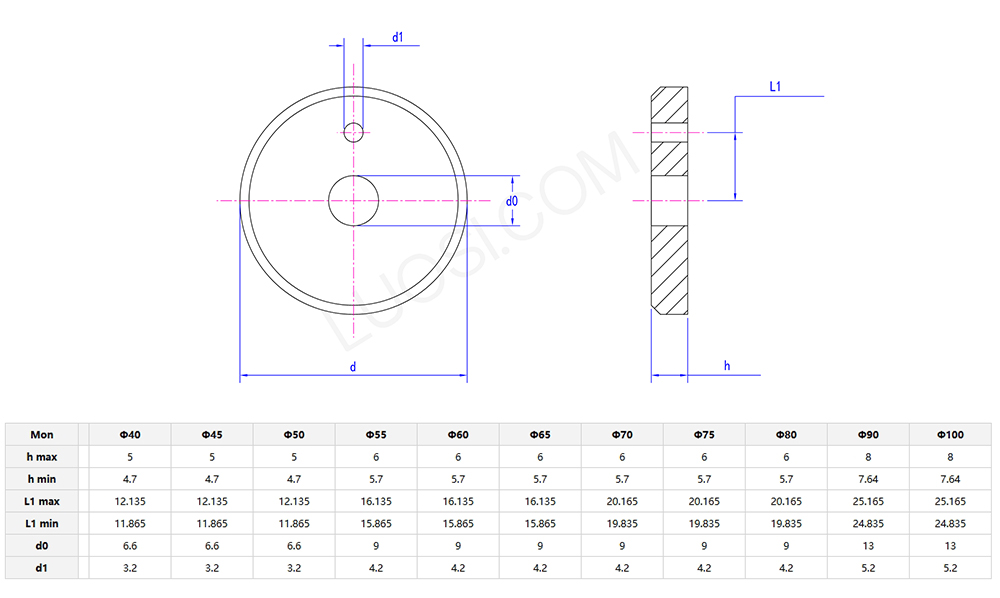
      Sonraí Táirgí agus Paraiméadair

      Collar seafta greamaithe boltÚsáidtear iad go forleathan i ngiarbhoscaí feithicleach, i gcaidéil thionsclaíocha, i dtrealamh crios iompair, agus i gcodanna aeraspáis a bhogadh. Mar daingneán do chodanna ar an seafta, is féidir leis codanna amhail ulóga, sprockets, agus cúpláin a chur faoi ghlas go héifeachtach chun cosc ​​a chur ar sleamhnáin aiseach le linn oibriú. Go háirithe i dtrealamh ar nós innill agus tuirbíní, tá tábhacht mhór ag baint lena dhearadh struchtúrach frith-chreathaidh agus is féidir leis a chinntiú go bhfeidhmíonn an trealamh cobhsaí.


      Tá fáinní coinneála an -úsáideach freisin i innealra talmhaíochta, i róbataic, agus i bhfeistí fuinnimh in -athnuaite amhail tuirbíní gaoithe. Faoi choinníollacha uainíochta ardluais, is féidir leis sábháilteacht na gcomhpháirteanna a chinntiú trí fheidhmíocht socraithe iontaofa. Dá bhrí sin, i dtionscail a bhfuil riachtanais an-ard acu maidir le cruinneas agus iontaofacht, is cuid lárnach fíor-riachtanach iad coiléar bolt-on.

      Bolt fastened shaft collar

      Bolt fastened shaft collar parameters

      Má tá a leithéid de cheist agat


      C: Cad iad na hábhair atácollar seafta greamaithe boltDe ghnáth, a dhéantar as, agus conas a théann siad i bhfeidhm ar mharthanacht?

      A:Collar seafta greamaithe boltis iondúil go ndéantar iad as cruach charbóin, cruach dhosmálta, nó cruach chóimhiotail. Tá cruach carbóin níos saoire agus oibríonn sé go breá don chuid is mó de na trealamh monarchan, agus tá cruach dhosmálta ag dul i ngleic le meirge níos fearr - maith do limistéir fhliucha nó áiteanna le ceimiceáin (cosúil le báid nó plandaí ceimiceacha). Faigheann na cinn cruach chóimhiotail cóireáilte teasa chun caitheamh trom a láimhseáil agus maireann siad níos faide. Cén t -ábhar a roghnaíonn tú a chinneann saolré an bhóna, cé mhéad ualach is féidir leis a ghlacadh, agus cá n -oibreoidh sé. Abair leo cá háit a mbainfidh tú úsáid as - mar má tá sé te, fliuch, nó a bheith ag iompar ualaí troma - mar sin tá siad comhoiriúnach leis an ábhar ceart.



      Hot Tags: Collar seafta daingnithe Bolt, an tSín, déantúsóir, soláthróir, monarcha
      Catagóir Gaolmhar
      Seol Fiosrúchán
      Ná bíodh drogall ort d’fhiosrúchán a thabhairt san fhoirm thíos. Tabharfaimid freagra duit i 24 uair an chloig.
      X
      We use cookies to offer you a better browsing experience, analyze site traffic and personalize content. By using this site, you agree to our use of cookies. Privacy Policy
      Reject Accept