Chun ancollar glasála le fosúchán bolt, is féidir leat ábhair a phiocadh bunaithe ar an méid is gá duit. Úsáidtear cruach carbóin (cosúil le SAE 1070/1095) nuair a bhíonn ábhar láidir ag teastáil uait le haghaidh post diana. Oibríonn cruach dhosmálta (AISI 304/316) go maith in áiteanna ina bhféadfadh rudaí meirge nó creimeadh. Tá cóimhiotail tíotáiniam go maith le haghaidh rudaí aeraspáis nuair is gá iad éadrom ach láidir. Tá rudaí speisialta cosúil le Inconel® ann freisin le haghaidh cásanna le teochtaí foircneacha, i ndáiríre te nó fíorfhuar.
Déanann siad tástáil chúramach ar gach ábhar lena chinntiú go gcoinníonn sé suas – ag seiceáil cé mhéad is féidir leis síneadh gan bhriseadh (suas le 1500 MPa) agus cé mhéad caitheamh is féidir leis a láimhseáil le himeacht ama. Ciallaíonn éagsúlacht na n-ábhar gur féidir leis an bhfáinne coinneála seo oibriú i go leor timpeallachtaí éagsúla, ó áiteanna fíorfhuar go monarchana ardteasa.
Ag tabhairt aire do nacollar glasála le fosúchán boltciallaíonn sé seiceálacha rialta a dhéanamh ar tightness bolta, caitheamh dromchla, nó meirge. Le linn cothabhála, déan na boltaí níos doichte go dtí an chasmhóimint molta ag an monaróir (de ghnáth 20-50 Nm). Bain úsáid as glantóirí mín chun smionagar a ghlanadh agus roinnt ramhar frith-urghabhála a chur ar na snáitheanna ionas go mbeidh sé níos éasca é a scaradh níos déanaí. Má fheiceann tú scoilteanna nó má tá an fáinne caillte, babhtáil amach é. Stóráil na fáinní in áit thirim le teocht rialaithe chun iad a choinneáil ó mhilleadh sula ndéanann tú iad a shuiteáil. Cuidíonn coinneáil suas leis an ngnáthamh seo leo oibriú is fearr agus d'fhéadfadh go mairfidh siad suas le 30% níos faide.

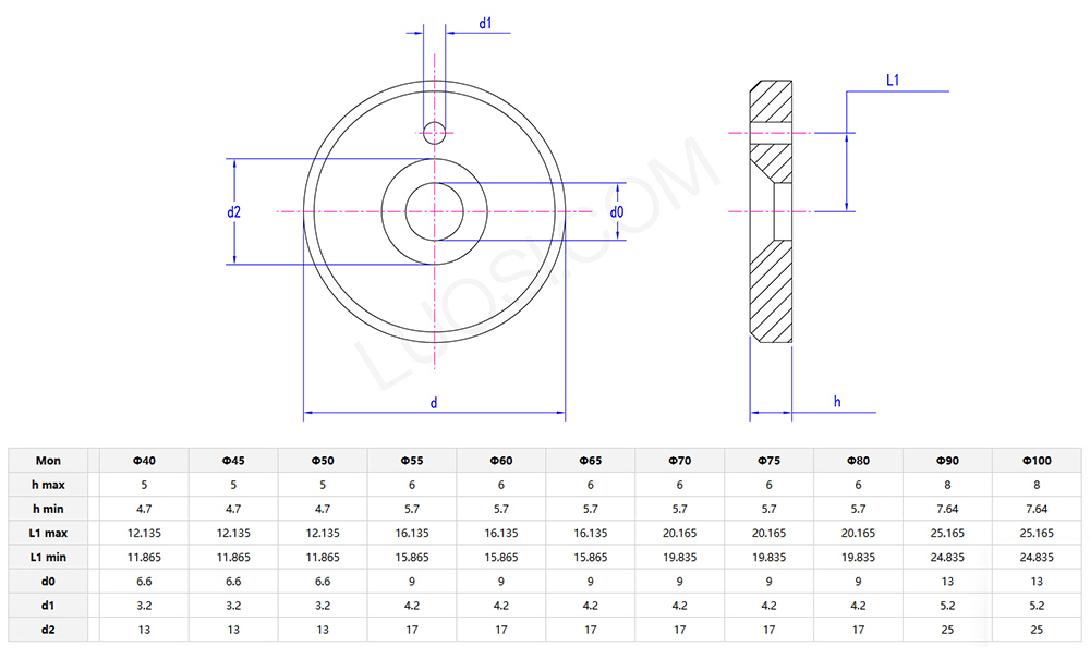
C: Conas a chinnim méid ceart acollar glasála le fosúchán boltdo mo thrastomhas seafta?
A: Ag piocadh an ceartcollar glasála le fosúchán boltag brath ar thiús do sheafta (OD) agus cineál snáithe. Tosaigh trí thiús do sheafta a thomhas agus é a chur i gcomparáid le treoir mhéid an déantóra. Rudaí tábhachtacha le tabhairt faoi deara: ní mór do mhéid istigh an choiléar snáitheanna an tseafta a mheaitseáil, méid na boltaí, agus cé chomh tiubh is atá an collar. Mura bhfuil do sheafta snáithithe, beidh ort snáitheanna a chur leis ar dtús. Déan seiceáil faoi dhó i gcónaí an bhfuil snáitheanna méadrach nó impiriúil - cuireann meascadh iad le tinneas cinn. I gcás seaftaí corrmhéide, tá coiléar saincheaptha ann ach tógfaidh siad am agus airgead breise.
Tá ár gcuid coiléar glasála bolt-seasta déanta as cruach carbóin den chuid is mó. Roghnaimid an t-ábhar seo toisc go bhfuil dea-dhianacht agus friotaíocht caitheamh aige, ar féidir leo freastal ar bhunriachtanais úsáide an táirge.
Sula bhfágann na táirgí an mhonarcha, cótaimid a gcuid dromchlaí le ciseal frith-meirge. Coinníonn an chóireáil seo na coiléar ó mheirge nuair a úsáidtear iad i dtimpeallachtaí tais nó nuair a stóráiltear iad ar feadh i bhfad.
Tá ábhair roghnacha againn freisin cosúil le cruach dhosmálta, do chustaiméirí a dteastaíonn friotaíocht creimeadh níos fearr orthu. Tá tiús ábhar an táirge deartha bunaithe ar riachtanais ualachiompartha caighdeánach, mar sin ní dhéanfaidh sé dífhoirmiú nó briseadh le linn gnáthúsáide.
Tá an chuid bolt déanta as an ábhar céanna leis an collar, agus mar sin tá feidhmíocht agus cobhsaíocht comhsheasmhach ag an táirge iomlán.
Braitheann an costas loingseoireachta dár gcuid coiléar glasála boltaí ar an áit a bhfuil tú ag seoladh iad, cén modh loingseoireachta a roghnaíonn tú, agus cé mhéad a ordaíonn tú.
Má théann tú le lóistíocht chaighdeánach, tá an costas níos ísle, ach tógann an seachadadh beagán níos faide - de ghnáth 3 go 7 lá oibre. Le haghaidh orduithe luaith, is féidir leat seachadadh tapa a roghnú, ach cosnóidh sé sin níos mó. Braitheann an muirear breise cruinn ar cé chomh fada is a chaithfidh an lastas dul.
Nuair a bhuaileann d'ordú méid áirithe, clúdóimid an costas loingseoireachta duit. Tá gach táirge beag agus éadrom, mar sin ní bheidh táillí loingseoireachta an-ard ag baint le horduithe baisc bheaga fiú.
Sula ndéanaimid aon rud amach, déanfaimid na coiléar a phacáistiú i gceart chun damáiste a chosc le linn iompair. Agus tá an costas pacáistithe seo san áireamh sa táille loingseoireachta cheana féin - ní gá duit íoc breise as.
Más mian leat an costas loingseoireachta cruinn a fháil, níl le déanamh ach iarraidh ar ár bhfoireann seirbhíse do chustaiméirí. Ríomhfaidh siad é bunaithe ar shonraí do shainordaithe.
C: Cad é an MOQ agus an t-am luaidhe do do Choiléar Glasála le Bolt Fixation, agus an dtugann tú lascainí mór-ordú?
A: Is é 300 píosa an chainníocht íosta ordaithe (MOQ) le haghaidh Coiléar Glasála caighdeánach le Fosúchán Bolt, le ham luaidhe 7-10 lá oibre le haghaidh orduithe rialta. I gcás orduithe mórchóir níos mó ná 5000 píosa, cuirimid lascainí sraithe ar fáil (3%–10% de thalamh) chun do chostais soláthair a laghdú. Tá MOQ de 500 píosa ag Collar Glasála Saincheaptha le Fosúchán Bolt agus am luaidhe 12-18 lá oibre, lena n-áirítear bailíochtú samplach agus sceidealú táirgeachta.