Baile > Táirgí > Bolt > T-bolt > T Bolt Sliotán
        T Bolt Sliotán
        • T Bolt SliotánT Bolt Sliotán
        • T Bolt SliotánT Bolt Sliotán
        • T Bolt SliotánT Bolt Sliotán
        • T Bolt SliotánT Bolt Sliotán
        • T Bolt SliotánT Bolt Sliotán

        T Bolt Sliotán

        De ghnáth éilíonn boltaí sliotán T gléasta an ceann T a shleamhnú isteach i sliotán comhoiriúnach agus ansin é a ghéarú le cnó, rud a chuireann deireadh leis an ngá atá le poill snáithithe agus a shimpliú cothabhála. Úsáideann monarchaXiaoguo® meaisíní CNC nua-aimseartha chun snáitheanna agus bratuithe beacht a dhéanamh.
        Mionsamhail:JIS B1166-1995

        Seol Fiosrúchán

        Cur síos ar an Táirge

        Ceann anT boltaí sliotánTá T-chruthach agus is féidir é a chur isteach go díreach isteach sa sliotán T agus a cheangal le cnó.

        Buntáistí a bhaineann leT boltaí sliotánthar boltaí heicsidheachúlach rialta:

        Ní thógann a gcuid bairr réidh ach beagán spáis, rud a fhágann go bhfuil siad oiriúnach do spásanna cúnga. Cuireann an cruth T iomlán cosc ​​orthu rothlú agus éirí scaoilte nuair a bhíonn siad níos doichte.

        Dáileann an bonn leathan meáchan níos fearr ná na boltaí ceann cruinn agus bíonn sé ina chúis le caitheamh níos lú ar an dromchla atá á shocrú.

        Murab ionann agus boltaí táthaithe,T boltaí sliotánis fusa iad a bhaint agus nach ndéanann siad aon damáiste, rud a fhágann go bhfuil siad oiriúnach le haghaidh uasghrádú nó deisiúcháin.

        Oibríonn siad le táirgí modúlach cosúil le brící Lego, ionas gur féidir leat boltaí den mhéid céanna a úsáid le haghaidh poist éagsúla, rud a shábháil costais fardail.

        T boltaí sliotánis féidir iad a úsáid go solúbtha de réir riachtanas agus úsáidtear iad i gcásanna éagsúla cosúil le monarchana nua-aimseartha nó trealamh meicniúil.

        T slot bolt

        Buntáistí

        T boltaí sliotánComhlíonann caighdeáin dhomhanda cosúil le ISO 7380 (scriúnna ceann cnaipe), DIN 787 (boltaí sliotán T), agus rialacha RoHS chun ceimiceáin díobhálacha a sheachaint. Soláthraíonn monaróir Xiaoguo® doiciméadú ar nós deimhnithe tástála ábhar agus tuairiscí cruas. Má tá tú san aeraspáis, lorg boltaí a leanann sonraíochtaí dochta NASM nó MS.

        Seiceáil i gcónaí go bhfuil na deimhnithe ag teacht le do chuid riachtanas, mar shampla, tá bratuithe ceadaithe ag an FDA ag teastáil ó mheaisíní bia. Cruthaíonn tástáil neamhspleách, mar shampla níos mó ná 500 uair an chloig de fhriotaíocht spraeála salainn, gur féidir leis na boltaí oibriú go sábháilte i dtimpeallachtaí deimhnithe, ag cabhrú le fadhbanna den chineál céanna a sheachaint níos déanaí.


        Treoracha úsáide táirge

        Nuair a úsáideann tú an ceanglóir seo, tá na céimeanna simplí agus ní gá scileanna speisialta. Ar dtús, ní mór duit an Bolt Sliotán T a chur isteach sa sliotán T den phróifíl alúmanaim, agus é a shleamhnú go dtí an áit a gcaithfidh tú a cheangal. Ansin, cuir an chuid is mian leat a nascadh ar an bpróifíl, ailíniú poll na coda leis an bolt. Ansin, bain úsáid as eochair chun an cnó a mheaitseáil leis an bolt a dhéanamh níos doichte. Ní gá duit é a dhéanamh níos doichte; déan cinnte go bhfuil an nasc daingean agus nach scaoilfidh sé go héasca. Le linn an phróisis, is féidir leat suíomh an bolt a choigeartú trína sleamhnú sa sliotán T sula ndéantar é a ghéarú, atá áisiúil le haghaidh suiteáil beacht. Tá sé oiriúnach do chásanna coitianta cóimeála próifíle alúmanaim, mar shampla binsí oibre, frámaí agus trealamh uathoibrithe. Ní gá duit ach uirlisí bunúsacha cosúil le eochair chun an tsuiteáil a chríochnú, agus is féidir fiú daoine a úsáideann é den chéad uair é a oibriú go réidh.




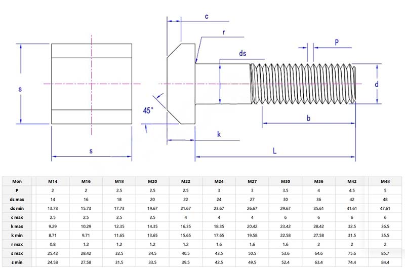
        T slot bolt parameter

        CCanna

        C: Cad iad na roghanna pacáistithe agus ama luaidhe atá ar fáil don mórchóirT boltaí sliotánorduithe?

        A: Déanaimid pacáilT boltaí sliotáni mboscaí uiscedhíonacha nó cliathbhoscaí adhmaid, le páipéar meirge-dhíonach taobh istigh. Déantar orduithe mórchóir a chruachadh ar phailléid ionas gur féidir iad a bhogadh go héasca.

        Méideanna caighdeánacha: De ghnáth 4-6 seachtaine le long.

        Orduithe saincheaptha: Tógann sé 8-10 seachtaine.

        Práinneach? Is féidir linn iarracht a dhéanamh ar tháirgeadh rushing más féidir.

        Tosaíonn an t-ordú íosta ag 1,000 píosa le haghaidh boltaí caighdeánacha, agus cuirimid mór-lascainí ar fáil. Is féidir leat a roghnú idir farraige, aer. Déanfaimid d'ordú a rianú gach céim den bhealach ionas go mbeidh a fhios agat go díreach cá bhfuil sé.

        Hot Tags: T Sliotán Bolt, An tSín, Monaróir, Soláthraí, Monarcha
        Catagóir Gaolmhar
        Seol Fiosrúchán
        Ná bíodh drogall ort d’fhiosrúchán a thabhairt san fhoirm thíos. Tabharfaimid freagra duit i 24 uair an chloig.
        X
        Úsáidimid fianáin chun eispéireas brabhsála níos fearr a thairiscint duit, chun anailís a dhéanamh ar thrácht an tsuímh agus chun inneachar a phearsantú. Trí úsáid a bhaint as an suíomh seo, aontaíonn tú lenár n-úsáid a bhaint as fianáin. Beartas Príobháideachta
        Diúltaigh Glac