Baile > Táirgí > Bolt > T-bolt > Bolt t -shank laghdaithe le poll
        Bolt t -shank laghdaithe le poll
        • Bolt t -shank laghdaithe le pollBolt t -shank laghdaithe le poll
        • Bolt t -shank laghdaithe le pollBolt t -shank laghdaithe le poll
        • Bolt t -shank laghdaithe le pollBolt t -shank laghdaithe le poll

        Bolt t -shank laghdaithe le poll

        Tá an bolt laghdaithe t le poll níos éadroime agus níos éasca le feidhmiú. Soláthraíonn siad solúbthacht chun sreanga, slabhraí nó comhpháirteanna eile a nascadh. Comhlíonann na boltaí de mhonarcha Xiaoguo® caighdeán forghníomhaithe CNS 4566-1981. Rinneadh tástáil spraeála salainn ar ár dtáirgí agus is féidir leo freastal ar do chuid riachtanas.
        Mionsamhail:CNS 4566-1981

        Seol Fiosrúchán

        Cur síos ar an Táirge

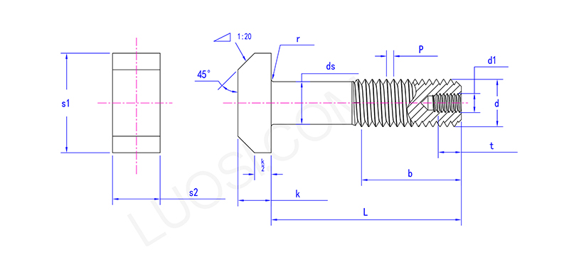
        Tá ceann an bholg laghdaithe le poll cosúil le rombas agus is féidir é a bheith greamaithe sa sliotán T le bheith socraithe agus gan rothlú. Tá an chuid lárnach dá scriú níos tanaí, is é sin, an "slat shrunken", agus tá poll druileáilte freisin ag bun an scriú. Tá an taobh istigh log.

        Gnéithe:

        Tá an T-Bolt laghdaithe suiteáilte ar an lorgaire gléasra cumhachta gréine. Más gá duit an t -eagar painéil gréine a choigeartú gach lá, is féidir leat iad a úsáid mar is féidir leo gach cineál aimsire a sheasamh. Is féidir leis an gcorp cuaille caol seasamh in aghaidh lomadh gaoithe. Tá na poill faoi ghlas ag uillinn ag bioráin cotter. I ngaineamh stoirmeacha Desert, is féidir leis cosc ​​a chur ar boltaí a scaoileadh.

        Tá an T-Bolt laghdaithe le poll suiteáilte sa ghléas cainteoir ceolchoirme. Is iondúil go n -éilíonn ceolchoirmeacha crochta na bhfo -dhaoine troma, agus is féidir le húsáid iad sábháilteacht a fheabhsú. Déanann an láimhseáil bolt éadrom níos éasca ardaitheoir. Is féidir na poill bolt a nascadh le rópaí sábháilteachta cruach. Is féidir an cainteoir a shocrú go dúbailte 60 troigh (thart ar 18 méadar) os cionn an slua.

        Baintear úsáid as T-Bolts Laghdaithe sa chóras fionraí de ghluaisteáin rásaíochta Foirmle a hAon. De ghnáth ní mór do ghluaisteáin rásaíochta na hairm forc a athrú i lár an chine. Is féidir leis an láimhseáil bolt an meáchan a laghdú. Is féidir bioráin scaoilte tapa a bheith feistithe ar an sreang poll. De réir rialacha an tsuímh dhúnta, is féidir leis an bhfoireann codanna a athsholáthar laistigh de 5 soicind.

        Is é an bolt laghdaithe Shank T le dearadh poll an ghné is suntasaí. Nuair a bhíonn roinnt trealaimh bheag mheicniúil á mhonarú, tá spás inmheánach an trealaimh bheaga dhlúth, agus tá na gnáth -boltaí ró -tiubh le teacht isteach.

        Paraiméadair:

        Duine M42 M48 M56 M64 M72 M80 M90 M100
        P 4.5 5 5.5 6 6 6 6 6
        D1 M12 M12 M16 M16 M16 M20 M20 M20
        t 22 22 26 26 26 33 33 33
        k 26 30 35 40 45 50 55 62
        S2 42 48 56 64 72 80 90 100
        S1 80 88 102 115 128 140 155 170
        r 2 2 3 3 4 4 4 5
        DS Max 34 38 45 50 55 65 70 80
        DS Min 33 37 44 49 53.8 63.8 66.8 78.8




        Hot Tags: Laghdú ar Bolt T le Poll, An tSín, Monaróir, Soláthraí, Monarcha
        Catagóir Gaolmhar
        Seol Fiosrúchán
        Ná bíodh drogall ort d’fhiosrúchán a thabhairt san fhoirm thíos. Tabharfaimid freagra duit i 24 uair an chloig.
        X
        Úsáidimid fianáin chun eispéireas brabhsála níos fearr a thairiscint duit, chun anailís a dhéanamh ar thrácht an tsuímh agus chun inneachar a phearsantú. Trí úsáid a bhaint as an suíomh seo, aontaíonn tú lenár n-úsáid a bhaint as fianáin. Beartas Príobháideachta
        Diúltaigh Glac