Baile > Táirgí > Cut > Cnó Cearnóg > Cnó Cage Snámh Cearnóg
        Cnó Cage Snámh Cearnóg
        • Cnó Cage Snámh CearnógCnó Cage Snámh Cearnóg
        • Cnó Cage Snámh CearnógCnó Cage Snámh Cearnóg
        • Cnó Cage Snámh CearnógCnó Cage Snámh Cearnóg

        Cnó Cage Snámh Cearnóg

        Mar chroítháirge de chaighdeán QIB/IND FN, glacann cnó cage snámh cearnach Xiaoguo® struchtúr cage snámhphointe cearnach, rud a cheadaíonn cúiteamh díláithrithe cliathánach ±2mm, atá oiriúnach do chásanna tionóil a dteastaíonn coigeartú dinimiciúil uathu.

        Seol Fiosrúchán

        Cur síos ar an Táirge

        cnó cage ar snámh cearnachcomhdhéanta de chomhlacht cearnach agus struchtúr cage ar snámh.cnó cage ar snámh cearnachtá sé deartha chun ceangal cobhsaí agus inoiriúnaithe a sholáthar i dtimpeallachtaí suiteála casta, ag cinntiú iontaofacht na gcodanna nasc den trealamh le linn úsáide fadtéarmach.

        Sonraí agus paraiméadair an táirge

        Dearadh frith-titim: Cinntíonn struchtúr an earraigh cage go bhfuil ancnó cage ar snámh cearnachfós faoi ghlas le linn creathadh.

        Suiteáil tapa: Ancnó cage ar snámh cearnachtá fráma cearnach réamhshocrú aige atá comhoiriúnach le huirlisí caighdeánacha agus is féidir é a oibriú agus a shocrú le lámh amháin.

        Square floating cage nut

        cnó cage ar snámh cearnacha úsáidtear le haghaidh splicing bhlaosc trealaimh thionsclaíoch (cosúil le caibinéid rialaithe, boscaí dáileacháin), is féidir lena fráma snámh cúiteamh a dhéanamh ar dhíláithriú le linn leathnú teirmeach agus crapadh, agus tá sé déanta as cruach dhosmálta le haghaidh friotaíocht creimeadh. Tacaíonn sé le sonraíochtaí M5-M12, simplíonn sé suiteáil i spásanna beaga, agus laghdaítear costais choigeartaithe láimhe.

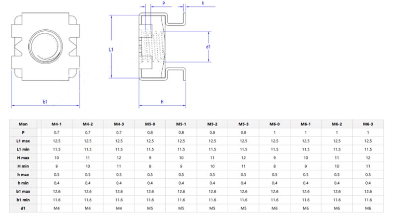
        Square floating cage nut parameter

        Ár dáileadh margaidh

        Margadh
        Ioncam Iomlán (%)
        Meiriceá Thuaidh
        20
        Meiriceá Theas
        5
        Oirthear na hEorpa
        21
        Oirdheisceart na hÁise
        2
        Aigéine
        3
        Lár-Oirthear
        5
        Oirthear na hÁise
        15
        Iarthar na hEorpa
        13
        Meiriceá Láir
        5
        Áise Theas
        6
        Margadh Baile
        5

        Ár bhFoireann

        Coinníonn ár bhfoireann innealtóirí taithí ag tweaking agus ag feabhsú conas a dhéanaimidcnónna cage snámh cearnach. Éistimid lena bhfuil de dhíth ar chustaiméirí i ndáiríre - amhail ailíniú níos éasca i racaí freastalaí daingean nó greim níos fearr ar innealra creathadh - ansin déan an dearadh a choigeartú (smaoinigh ar raonta snámhphointe níos leithne nó bratuithe meirgedhíonach) chun na riachtanais sin a ingne. Bottom line: faigheann tú cnónna nach n-oibríonn ach, gach uair.

        Hot Tags: Cnó Cage Snámh Cearnóg, an tSín, Monaróir, Soláthraí, Monarcha
        Catagóir Gaolmhar
        Seol Fiosrúchán
        Ná bíodh drogall ort d’fhiosrúchán a thabhairt san fhoirm thíos. Tabharfaimid freagra duit i 24 uair an chloig.
        X
        Úsáidimid fianáin chun eispéireas brabhsála níos fearr a thairiscint duit, chun anailís a dhéanamh ar thrácht an tsuímh agus chun inneachar a phearsantú. Trí úsáid a bhaint as an suíomh seo, aontaíonn tú lenár n-úsáid a bhaint as fianáin. Beartas Príobháideachta
        Diúltaigh Glac