Déanann gnéithe nádúrtha na gearrthóga seamna leathnaithe plaisteacha go maith é le haghaidh úsáidí speisialta, sonracha. Ós rud é nach seolann sé leictreachas, tá sé thar a bheith tábhachtach i mboscaí leictreacha agus i limistéir ardvoltais. Ní dhéanann sé spréacha, rud atá ag teastáil go géar in áiteanna ina bhféadfadh pléascanna tarlú (criosanna ATEX).
Ní féidir leat a dhéanamh gan é freisin i seomraí MRI agus leictreonaic íogair, áiteanna nach gceadaítear fiú réimsí maighnéadacha beaga ó bhioráin mhiotail.

Téann gearrthóga seamna leathnaithe plaisteacha maith trí thástálacha dian chun a chinntiú go n-oibríonn sé go comhsheasmhach. Seiceálann na tástálacha seo rudaí cosúil le cruinneas méide, cé mhéad tarraingt is féidir a ghlacadh, cé chomh maith agus a láimhseálann sé amas, agus an n-oibríonn sé le ceimiceáin éagsúla.
Déantar bioráin cotter plaisteach Xiaoguo® a mhonarú de réir caighdeáin tionscail ag baint úsáide as ábhair a chomhlíonann ceanglais shonraithe, ag cinntiú feidhmíochta. Coinníonn siad réada go daingean agus go sábháilte in áit an chuspóra a bhí beartaithe dóibh. I gcomparáid le bioráin cotter miotail, tá cinn plaisteacha níos resistant creimeadh agus meirge-resistant.

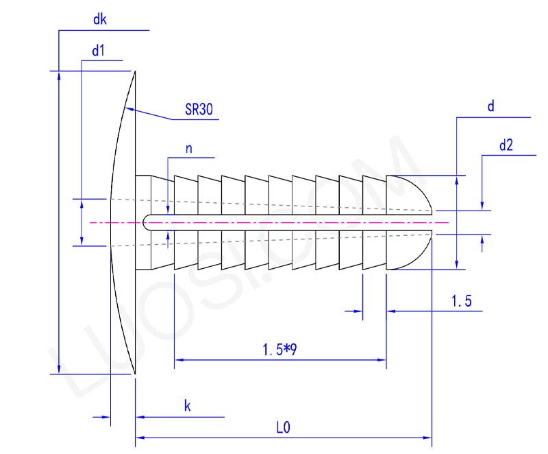
Mon
Φ6
Φ8
Φ10
d max
6
8
10
d nóim
5.8
7.8
9.8
dk uas
16.2
16.2
18.2
dk nóim
15.8
15.8
17.8
k uas
1.6
1.6
2.1
k nóim
1.4
1.4
1.9
L0
20
20
22
d1
3
4
5
d2
1.5
2
3
n
1
1
1.5
Déantar ár gcuid gearrthóga seamna leathnaithe plaisteacha caighdeánach d'ábhair a chomhlíonann rialacháin mhóra idirnáisiúnta, lena n-áirítear RoHS agus REACH. Cuirimid leaganacha deimhnithe FDA ar fáil freisin d’iarratais teagmhála bia. Tá deimhnithe comhlíonta ar fáil ach iad a iarraidh.
Roghnaítear ár n-ábhar go cúramach de réir caighdeáin dhomhanda le linn na táirgeachta, ag cinntiú go gcomhlíontar caighdeáin cháilíochta ábhartha agus ag cinntiú onnmhairiú sábháilte agus úsáid fhorleathan ar fud an domhain.