Baile > Táirgí > Páirteanna seamanta > Seathach plaisteach > Gearrthóg Rivet Leathnú
        Gearrthóg Rivet Leathnú
        • Gearrthóg Rivet LeathnúGearrthóg Rivet Leathnú
        • Gearrthóg Rivet LeathnúGearrthóg Rivet Leathnú
        • Gearrthóg Rivet LeathnúGearrthóg Rivet Leathnú
        • Gearrthóg Rivet LeathnúGearrthóg Rivet Leathnú
        • Gearrthóg Rivet LeathnúGearrthóg Rivet Leathnú

        Gearrthóg Rivet Leathnú

        Is ceanglóir plaisteach é gearrthóg rivet leathnaithe a shuiteáiltear trína chuid prongs solúbtha a chur isteach trí pholl agus ansin scaradhXiaoguo® monaróir le breis agus deich mbliana de thaithí ghairmiúil sa tionscal ceanglóir. Tá muid in ann a sheachadadh in am beag beann ar mhéid an ordaithe.
        Mionsamhail:QC/T 350-1999

        Seol Fiosrúchán

        Cur síos ar an Táirge

        Is iad na hábhair is coitianta le haghaidh gearrthóga seamtha leathnaithe iontaofa ná níolón 6/6 atá treisithe le gloine agus Copolymer Acetal (POM). Tá an níolón 6/6 níos láidre agus láimhseálann sé teas níos fearr. Coinníonn an POM a chruth go maith, ní chuimil sé mórán, agus coinníonn sé le húsáid arís agus arís eile gan caitheamh amach.

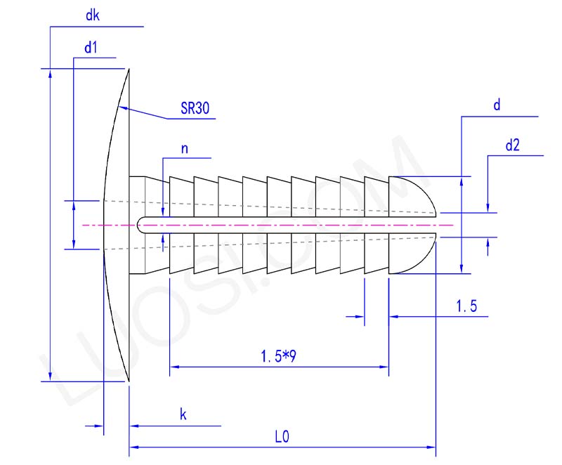
        expanding rivet clip parameter

        Mon
        Φ6 Φ8
        Φ10
        d max
        6 8 10
        d nóim
        5.8 7.8 9.8
        dk uas
        16.2 16.2 18.2
        dk nóim
        15.8 15.8 17.8
        k uas
        1.6 1.6 2.1
        k nóim
        1.4 1.4 1.9
        L0
        20 20 22
        d1
        3 4 5
        d2
        1.5 2 3
        n
        1 1 1.5

        Cinntíonn na plaistigh innealtóireachta seo go n-oibríonn an comhlacht bioráin scoilte go maith faoi strus meicniúil agus faoi choinníollacha diana. Murab ionann agus plaistigh níos saoire, ní bhriseann siad go héasca.

        Cothabháil

        Tá sé simplí gearrthóga rivet leathnaithe a choinneáil. Déanta as plaisteach creimeadh-resistant, ní bheidh siad meirge, rud a dhíchur an gá atá le frith-meirge gníomhairí nó olaí. Sula n-úsáidtear iad, déan iad a iniúchadh le haghaidh damáiste, cosúil le scoilteadh, dífhoirmiú, nó brittleness nó whitening ó nochtadh fada do sholas na gréine. Tá athsholáthar éasca; níl aon uirlisí speisialta ag teastáil. Níl ort ach an gearrthóg d'aois a tharraingt amach ag na cosa agus ceann nua a chur ina ionad. Éasca le húsáid. Seiceáil riocht an ghearrthóg rivet go rialta agus cuir in ionad é go pras.

        An bhfuil do dhíghrádú frithsheasmhach in aghaidh UV le húsáid fhada lasmuigh?

        Tá bacóirí UV ionsuite ag ár gcuid gearrthóga seamna caighdeánacha leathnaithe nuair a dhéanaimid iad.

        Coinníonn an chosaint UV sin iad ag déanamh a gcuid oibre, ag fanacht láidir, solúbtha, agus ag coinneáil daingean, fiú amháin i rudaí garbh amuigh faoin aer. Smaoinigh ar tharracóirí, tochaltóirí, painéil ghréine, trealamh feirme, srl. I gcomparáid le gnáthphlaisteach gan é, ní mhaireann siad seo ach níos faide gan gá duit a bheith ag brú orthu.


        Hot Tags: Ag Leathnú Rivet Clip, an tSín, Monaróir, Soláthraí, Monarcha
        Catagóir Gaolmhar
        Seol Fiosrúchán
        Ná bíodh drogall ort d’fhiosrúchán a thabhairt san fhoirm thíos. Tabharfaimid freagra duit i 24 uair an chloig.
        X
        Úsáidimid fianáin chun eispéireas brabhsála níos fearr a thairiscint duit, chun anailís a dhéanamh ar thrácht an tsuímh agus chun inneachar a phearsantú. Trí úsáid a bhaint as an suíomh seo, aontaíonn tú lenár n-úsáid a bhaint as fianáin. Beartas Príobháideachta
        Diúltaigh Glac