Baile > Táirgí > Cut > Cnó Heicseagán > MJ Thread cnónna tanaí beag heicseagán
      MJ Thread cnónna tanaí beag heicseagán
      • MJ Thread cnónna tanaí beag heicseagánMJ Thread cnónna tanaí beag heicseagán
      • MJ Thread cnónna tanaí beag heicseagánMJ Thread cnónna tanaí beag heicseagán
      • MJ Thread cnónna tanaí beag heicseagánMJ Thread cnónna tanaí beag heicseagán

      MJ Thread cnónna tanaí beag heicseagán

      Déantar cnónna tanaí beaga heicseagáin MJ as ábhair ardchaighdeáin agus tá siad oiriúnach do raon leathan feidhmeanna, ó thionól leictreonaic tomhaltóra go dtí tógáil microstructures.
      Mionsamhail:HB 8243-2002

      Seol Fiosrúchán

      Cur síos ar an Táirge

      MJ Snáithe cnónna tanaí beag heicseagánIs cnó dlúth agus ísealphróifíle é. Tagraíonn "MJ Thread" do shnáithe eitlíochta méadrach speisialta le fréamh ciorclach agus friotaíocht tuirse níos fearr. Tá a chuid paraiméadair ar nós próifíl fiacail agus páirc optamaithe chun freastal ar riachtanais nascanna ard-neart agus ard-iontaofachta. Úsáidtear iad in innealtóireacht bheachtais, amhail aerárthaí, carranna rásaíochta nó robots, etc.

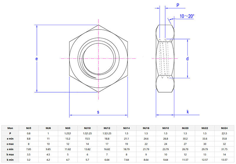
      Sonraí Táirgí agus Paraiméadair

      MJ thread small hexagon thin nuts


      Is minic a úsáidtear cnónna tanaí beaga heicseagáin MJ in aeraspáis (mar phainéil satailíte), innill ardfheidhmíochta nó feistí leighis. Is féidir le snáitheanna MJ tiúchan struis a laghdú, rud a chumasaíonn a bhfeidhmiú i dtimpeallachtaí le hualaí creathadh nó timthriallach. Baineann meicnic úsáid astu ar ghluaisrothair; Baineann innealtóirí úsáid astu le haghaidh aerfheithiclí gan foireann.

      Tá na cnónna tanaí beag heicseagáin níos durable ná an snáithe méadrach traidisiúnta. Tá fréamh an snáithe MJ ciorclach (seachas géar), rud a laghdaíonn an fhéidearthacht go ndéanfaí scoilteadh faoi fhórsa arís agus arís eile. Mar gheall ar lamháltais níos lú, is lú an seans go ndéanfar míthuiscint orthu freisin. Má eascraíonn mífheidhmiú ama nó contúirt, ba chóir snáitheanna MJ a úsáid ina ionad. Ina theannta sin, tá siad níos éadroime ó thaobh meáchain de agus cuirtear i bhfeidhm iad i réimsí aeraspáis nó rásaíochta.

      MJ Snáithe cnónna tanaí beag heicseagánÚsáidtear innill ardfheidhmíochta, comhpháirteanna satailíte nó ionchlannáin leighis. Is féidir leo creimeadh a chomhrac i dtimpeallachtaí crua. Leid ghairmiúil: Bain úsáid as scuab níolóin chun an snáithe a ghlanadh. Is féidir le smionagar an snáithe MJ a chlogadh go héasca.




      MJ thread small hexagon thin nuts

      Leideanna suiteála

      Tá cruinneas ríthábhachtach agus anMJ Snáithe cnónna tanaí beag heicseagán. Tá sé níos tanaí ná an snáithe méadrach caighdeánach. Dá bhrí sin, bain úsáid as i gcomhar leis an MJ Bolt. Beidh snáitheanna measctha ina gcúis le caitheamh ar an dá cheann. Bain úsáid as eochair nó soicéad caol le do thoil chun sleamhnú ar an imeall tanaí heicseagánach. I gcás príomh -joints, cuir gníomhaire glasála snáithe i bhfeidhm le do thoil.


      Hot Tags: MJ Thread cnónna tanaí beag heicseagán, an tSín, déantúsóir, soláthróir, monarcha
      Catagóir Gaolmhar
      Seol Fiosrúchán
      Ná bíodh drogall ort d’fhiosrúchán a thabhairt san fhoirm thíos. Tabharfaimid freagra duit i 24 uair an chloig.
      X
      We use cookies to offer you a better browsing experience, analyze site traffic and personalize content. By using this site, you agree to our use of cookies. Privacy Policy
      Reject Accept