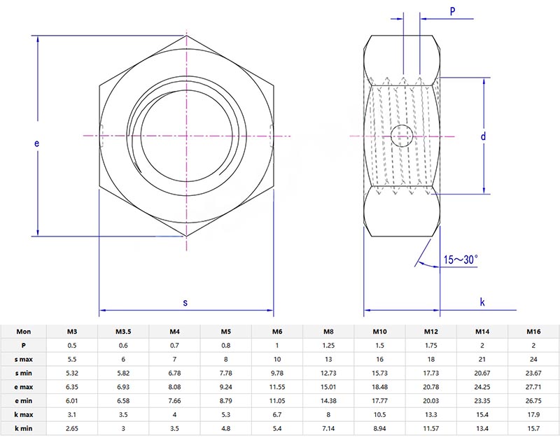
Anméadrach cnó heicsidheachúlach miotail gach miotailÚsáidtear snáithe nó dearadh cóin neamhfhoirmithe, a chruthaíonn cuimilte chun cosc a chur ar scaoileadh. Tá ábhair ar nós cruach ghrád 8 nó cruach dhosmálta A4 frithsheasmhach in aghaidh meirge agus is féidir leo an chasmhóimint ard a sheasamh. Is féidir an cruth heicseagánach a úsáid le huirlisí méadracha caighdeánacha.
Anméadrach cnó heicsidheachúlach miotail gach miotailIs ceanglóir tromshaothair é a dhéantar go hiomlán as miotal (cosúil le cruach nó cruach dhosmálta) le húsáid le boltaí méadracha. Tá a chruth heicseagánach ag teacht le wrenches caighdeánacha, agus láimhseálann an tógáil uile-mhiotail teas ard, ualaí troma, nó timpeallachtaí creimneach ina dteipeann ar chodanna plaisteacha.

Cén fáth a roghnaíonn an cnó méadrach miotail miotail?
Anméadrach cnó heicsidheachúlach miotail gach miotailtógtha diana. Seasann an dearadh uile-mhiotail le teochtaí foircneacha (cosúil le córais sceite) agus ceimiceáin chrua. Ní chuireann aon níolón isteach chun leá nó caith amach é, ach chasmhóimint é, agus fanann sé. Ath -inúsáidte amanna éagsúla mura ndéantar damáiste dóibh, agus má oibríonn sé i gcoinníollacha olacha nó gréisceacha ina bhfuil cnónna eile ag duillín.
Méadrach cnó heicsidheachúlach miotail gach miotailÚsáidtear é go coitianta i ndéantúsaíocht na ngluaisteán (bloic innill, turbochargers), innealra trom (craenacha, cófraí) agus trealamh ola/gáis (píopaí, comhlaí). Baineann monarchana úsáid as chun oighinn ardteochta a dhéanamh, agus úsáideann aeraspáis é chun painéil atá frithsheasmhach in aghaidh teasa a dhéanamh. Is féidir é a úsáid in áiteanna nach n -oibríonn glais phlaisteacha.
| Margaigh |
Ioncam Iomlán (%) |
| Meiriceá Thuaidh |
15 |
| Meiriceá Theas |
3 |
| Oirthear na hEorpa |
21 |
| Oirdheisceart na hÁise |
5 |
| Lár an oirthir |
5 |
| Oirthear na hÁise |
15 |
| Iarthar na hEorpa |
17 |
| Meiriceá Láir |
5 |
| Tuaisceart na hEorpa |
6 |
| An Áise Theas |
8 |
Murab ionann agus cnónna níolóin-insert, anméadrach cnó heicsidheachúlach miotail gach miotailNí leáigh tú i dteas ard ná díghrádú i gceimiceáin. Cosnaíonn sé níos mó roimh ré, ach is féidir leis airgead a shábháil san fhadtéarma trí líon na n -athsholáthar a laghdú. Is ábhar soiléir é le haghaidh innealra trom, innill, nó tógáil lasmuigh, tá miotal níos durable nuair a theipeann ar phlaisteach.