Baile > Táirgí > Cut > Cnó Heicseagán > Cnó heicseagán ard-neart
        Cnó heicseagán ard-neart
        • Cnó heicseagán ard-neartCnó heicseagán ard-neart
        • Cnó heicseagán ard-neartCnó heicseagán ard-neart
        • Cnó heicseagán ard-neartCnó heicseagán ard-neart

        Cnó heicseagán ard-neart

        Is féidir cnónna heicseagán ard-neart a úsáid i dtimpeallachtaí nach féidir cnónna caighdeánacha a úsáid. Tá airde cnónna Cineál 2 thart ar 10% níos airde ná airde Cineál 1. Nuair a bhíonn tú ag ceannach ó Xiaoguo®, ráthaímid go gcuirfear táirgí ardchaighdeáin ar fáil duit a chomhlíonann do riachtanais cheangail.
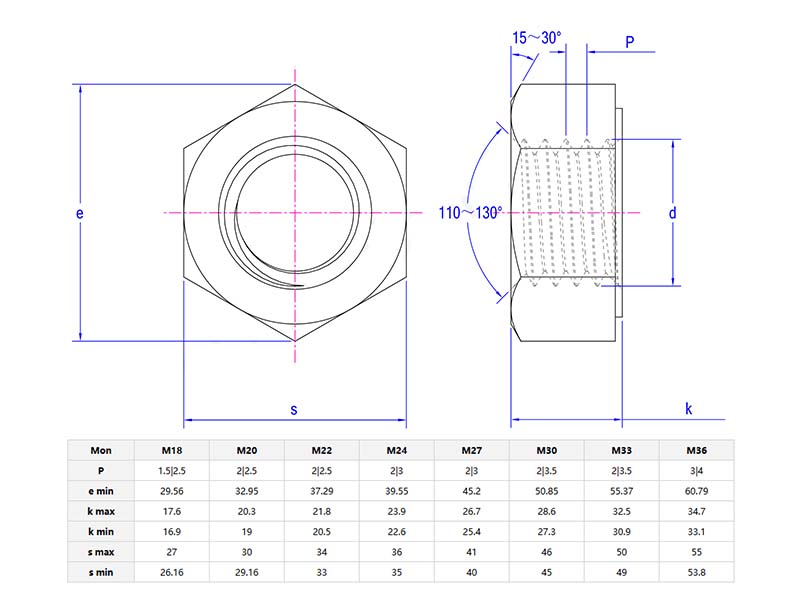
        Mionsamhail:GB/T 33943-2017

        Seol Fiosrúchán

        Cur síos ar an Táirge


        Cnó heicseagán ard-neartníos tibhe agus níos láidre ná Cineál 1, agus tá an toilleadh ualaigh níos airde ná sin de Chineál 1, rud a fhágann go bhfuil siad oiriúnach le haghaidh ualaí troma nó cásanna ard-riachtanas. Mar sin féin, tá Cineál 2 níos costasaí agus níos troime.

        Is cnó heicseagán chamfered aonair Cineál 2 cnó heicseagáin réasúnta inacmhainne nach bhfuil gá le cóireáil teasa. Úsáidtear cnónna Cineál 2 den chuid is mó in iarratais ina bhfuil gá le cóimeáil agus díchóimeáil go minic, mar shampla aeraspáis, feithicleach, tógáil, innealra, agus iarratais eile a dteastaíonn nascóirí sách láidir.


        Sonraí agus paraiméadair an táirge

        Type 2 Single Chamfered Hexagon Nut


        Tá cineál 2 cnó heicseagán chamfered aonair suiteáilte ar fhrámaí trucail, ar chórais criosanna iompair nó ar threalamh talmhaíochta. Is féidir leo an chasmhóimint níos mó a sheasamh, rud a choscann an cnó ó stripping, agus cabhraíonn an chamfer leis an bolt a ailíniú go tapa. Tá siad ró-chumbersome le haghaidh seilfeanna nó troscán bunúsach.

        Agus an cineál 2 cnó heicseagán chamfered singil á roghnú agat, ba cheart méid an bolt a mheas ar dtús. Meaitseáil an trastomhas snáithe (m.sh. M12, ¾ ") agus pitch (snáithe garbh nó snáithe fíneáil). Cuirfidh chamfering Uillinn beag ar thaobh amháin den snáithe. Nuair a bheidh géarú, seachain misscrewing na snáitheanna. Ná meascán snáitheanna méadracha agus impiriúil, mar go ndéanfaidh sé seo damáiste do na snáitheanna.

        Tá ancnó heicseagán neart ardis féidir leis na boltaí a threorú níos tapúla, rud a laghdóidh am downt an trealaimh i dtáirgeadh mais. Tá cnónna galbhánaithe te-tumtha oiriúnach le húsáid lasmuigh, ach ba cheart iad a sheachaint i dtimpeallachtaí creimneach ina bhféadfadh an sciath caitheamh amach. Ná athúsáid na cnónna ar threalamh caite.


        Type 2 Single Chamfered Hexagon Nut

        Leideanna Suiteáil

        Nuair a shuiteáil ancnó heicseagán neart ard, os comhair an chamfer an bolt chun an nasc snáithithe a dhéanamh níos smoother. Bain úsáid as eochair chasmhóiminte chun é a dhéanamh níos doichte. Bí cúramach go bhféadfadh ró-ghéarú damáiste a dhéanamh don bolt. Moltar boltaí ard-ghrád a úsáid (leis an ngrád neart céanna) agus leicneáin chruaite i dteannta a chéile.

        Hot Tags: Cnó heicseagán ard-neart, an tSín, Monaróir, Soláthraí, Monarcha
        Catagóir Gaolmhar
        Seol Fiosrúchán
        Ná bíodh drogall ort d’fhiosrúchán a thabhairt san fhoirm thíos. Tabharfaimid freagra duit i 24 uair an chloig.
        X
        Úsáidimid fianáin chun eispéireas brabhsála níos fearr a thairiscint duit, chun anailís a dhéanamh ar thrácht an tsuímh agus chun inneachar a phearsantú. Trí úsáid a bhaint as an suíomh seo, aontaíonn tú lenár n-úsáid a bhaint as fianáin. Beartas Príobháideachta
        Diúltaigh Glac