Baile > Táirgí > Cut > Cnó Heicseagán > Níochán cnónna subh heicseagán aghaidh
        Níochán cnónna subh heicseagán aghaidh
        • Níochán cnónna subh heicseagán aghaidhNíochán cnónna subh heicseagán aghaidh
        • Níochán cnónna subh heicseagán aghaidhNíochán cnónna subh heicseagán aghaidh
        • Níochán cnónna subh heicseagán aghaidhNíochán cnónna subh heicseagán aghaidh

        Níochán cnónna subh heicseagán aghaidh

        Comhlíonann an washer cnónna subh Heicseagán atá os comhair Xiaoguo® caighdeáin idirnáisiúnta, agus mar sin tá an-tóir ar na cnónna ar fud an domhain. Cibé an fiontar atá i mbun gnó allmhairithe déantúsaíochta nó dáileoir atá i mbun dáileadh fardail, cuirfimid cnónna ardchaighdeáin ar fáil do do thionscadal.
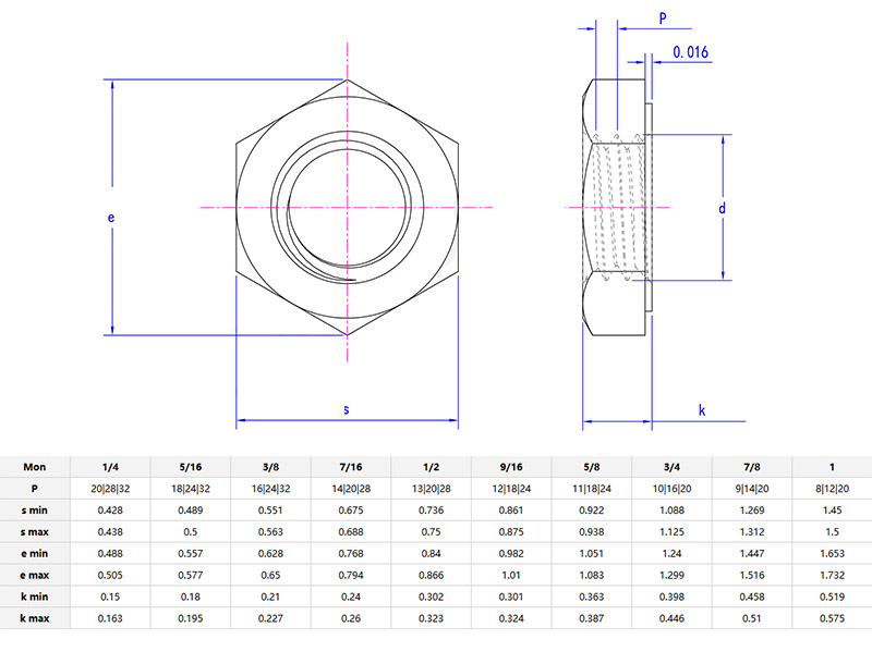
        Mionsamhail:ASME/ANSI B18.2.2-4-2015

        Seol Fiosrúchán

        Cur síos ar an Táirge

        Níochán cnónna subh heicseagán aghaidhfeabhsaítear cosaint dromchla agus greim, atá difriúil ó ghnáthchnónna frith-scaoilte. Is féidir iad a athúsáid agus tá siad níos saoire ná cnónna agus leicneáin a cheannach ar leithligh.

        Hexagon jam nuts washer faced

        Sonraí agus paraiméadair an táirge

        Comhcheanglaíonn cnónna-washer subh heicseagán saintréithe na gcnónna agus na leicneáin frith-scaoilte. Agus na cnónna seo á n-úsáid, déanfaidh na leicneáin an brú a dháileadh nuair a bhíonn siad níos doichte. Tá sé seo cosúil le ceap maolánach a bheith idir an cnó agus an dromchla a nascadh. Tá sé seo an-áisiúil nuair a bhíonn tú ag déileáil le hábhair níos boige nó míchothrom. Mar shampla, más mian leat rud éigin a nascadh le píosa adhmaid, an washer arheicseagán subh cnónna washer aghaidhis féidir leis an gcnó a chosc ó neadú isteach san adhmad agus b'fhéidir an neart nasctha a lagú.

        Is minic a shuiteáiltear aghaidh cnónna-nite heicseagáin i réimsí mar ghluaisteáin (córais fionraí, rothaí), trealamh tionsclaíoch (caidéil, mótair), agus tógáil (altanna scafall). Is féidir leat iad a shuiteáil freisin ar rothair, printéirí 3D nó cosa troscáin a choigeartú.



        Hexagon jam nuts washer faced parameter

        Ár dáileadh margaidh

        Margadh
        Ioncam Iomlán (%)
        Meiriceá Thuaidh
        15
        Oirthear na hEorpa
        3
        Oirthear na hEorpa
        16
        Oirdheisceart na hÁise
        5
        Lár-Oirthear
        5
        Oirthear na hÁise
        15
        Iarthar na hEorpa
        14
        Meiriceá Láir
        5
        Tuaisceart na hEorpa
        10
        Áise Theas
        12

        Leideanna Suiteáil

        Níochán cnónna subh heicseagán aghaidhtá ábhair éagsúla le roghnú as, agus tá a buntáistí féin ag gach ábhar. Is é cruach an ceann is coitianta. Tá sé láidir agus buan agus is féidir leis fórsa suntasach a sheasamh. Is ábhar eile a úsáidtear go coitianta é cruach dhosmálta, go háirithe nuair a bhíonn do threalamh nochta do thimpeallachtaí taise nó crua. Tá airíonna meirge agus friotaíocht creimeadh ag cruach dhosmálta, mar sin fiú má fhaigheann an cnó fliuch, féadfaidh sé fanacht i riocht maith fós.


        Seisiún ceisteanna agus freagraí

        C: Cén raon méide atá os comhair do níocháin cnónna subh Heicseagán?

        A: Clúdaíonn ár n-aghaidh níocháin cnónna subh Heicseagán méideanna coitianta ó M3 go M24. Úsáidtear na méideanna seo go forleathan i gcomhthionól tionsclaíoch agus innealra. Is féidir linn méideanna eile a sholáthar freisin má tá ceanglais shonracha agat. Déantar gach méid a tháirgeadh de réir sonraíochtaí caighdeánacha chun a chinntiú go dtagann sé le boltaí coitianta sa mhargadh. Is féidir leat do mhéid riachtanach a insint dúinn, agus deimhneoimid an infhaighteacht duit.  




        Hot Tags: Aghaidh níocháin cnónna subh heicseagán, an tSín, Monaróir, Soláthraí, Monarcha
        Catagóir Gaolmhar
        Seol Fiosrúchán
        Ná bíodh drogall ort d’fhiosrúchán a thabhairt san fhoirm thíos. Tabharfaimid freagra duit i 24 uair an chloig.
        X
        Úsáidimid fianáin chun eispéireas brabhsála níos fearr a thairiscint duit, chun anailís a dhéanamh ar thrácht an tsuímh agus chun inneachar a phearsantú. Trí úsáid a bhaint as an suíomh seo, aontaíonn tú lenár n-úsáid a bhaint as fianáin. Beartas Príobháideachta
        Diúltaigh Glac