Baile > Táirgí > Cut > Cnó Heicseagán > Cnó subh cothrom heicsidheachúlach
        Cnó subh cothrom heicsidheachúlach
        • Cnó subh cothrom heicsidheachúlachCnó subh cothrom heicsidheachúlach
        • Cnó subh cothrom heicsidheachúlachCnó subh cothrom heicsidheachúlach
        • Cnó subh cothrom heicsidheachúlachCnó subh cothrom heicsidheachúlach

        Cnó subh cothrom heicsidheachúlach

        Forbraíonn Xiaoguo ábhair nua agus próisis nua i gcónaí chun cabhrú le custaiméirí costais a laghdú agus feabhas a chur ar éifeachtúlacht táirgthe.
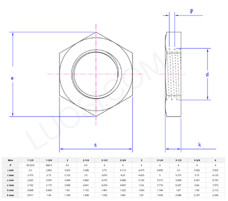
        Mionsamhail:ASME/ANSI B18.2.2-8-1993

        Seol Fiosrúchán

        Cur síos ar an Táirge

        Dearadh cnónna subh árasán heicsidheachúlach le fócas ar phraiticiúlacht agus éifeachtúlacht, agus is féidir iad a shuiteáil go tapa agus fórsaí móra a sheasamh. Tá sé ar fáil i réimse ábhar, lena n-áirítear cruach gnáth, cruach dhosmálta, le haghaidh teochtaí éagsúla agus timpeallachtaí creimneach.Tá na cnónna subh heicsidheachúlach a úsáidtear i bpoist nach féidir le rudaí a acmhainn titim as a chéile. I dtógáil, coinníonn siad bíomaí cruach agus páirteanna droichead le chéile. Úsáideann gluaisteáin agus meaisíní móra iad chun innill agus frámaí a choinneáil daingean. Maidir le trealamh míleata mar umair nó gunnaí, tá siad dian go leor chun úsáid gharbh a láimhseáil. Is minic a roghnaíonn rigí agus píopaí ola cruach dhosmáltacnónna subh árasán heicsidheachúlachchun meirge ó cheimiceáin nó sáile a sheasamh. Braitheann báid agus tuirbíní gaoithe orthu freisin toisc nach gcaitheann siad amach go tapa. Is cuma an tionscal, coimeádann cnónna subh heicsidheachúlach naisc ríthábhachtacha soladach agus sábháilte.


        Líníochtaí mionsonraithe agus paraiméadair

        Is féidir barr an cnónna subh árasán heicsidheachúlach a dhearadh mar dhromchla flange chun an limistéar teagmhála a mhéadú agus éifeacht frith-scaoilte níos fearr a sholáthar. Déantar cnónna subh hex a úsáidtear i dtimpeallachtaí teocht ard de ghnáth as cruach teas-resistant, ar féidir leo cobhsaíocht a choimeád os cionn 500 ° C. Múnlaítear cnónna subh cothrom Hex ag baint úsáide as modhanna téimh nó fuaraithe. Déantar cnónna níos lú fuar - sábhálann sé seo airgead agus coinníonn sé méideanna beacht. Déantar cinn níos mó a théamh ar dtús chun an miotal a dhéanamh níos éasca gan scoilteadh. Tar éis a fhoirmiú, cuirtear snáitheanna trí rolladh (le haghaidh imill níos smoother) nó gearradh. Ansin déantar iad a théamh arís chun iad a dhéanamh níos deacra agus níos láidre. Seiceáiltear gach baisce chun rialacha méide a mheaitseáil (cosúil le ISO nó ASTM), feistiú snáithe tástála, agus deimhnigh ceart an ábhair. Déanann an próiseas céim ar chéim seo cinntecnónna subh árasán heicsidheachúlachobair mar ba chóir dóibh, fiú faoi strus trom.

        Hex flat jam nut

        Hex flat jam nut

        Hex flat jam nut


        CCanna

        C: Conas a dhéantar comparáid idir do chnónna suibhe heicsidheachúlach agus iomaitheoirí ó thaobh praghsanna?

        A: monarcha Xiaoguo®cnónna subh árasán heicsidheachúlachTá praghas cothrom i gcomparáid le cinn eile, ach coinnímid an caighdeán soladach. Athraíonn na costais bunaithe ar an méid as a bhfuil siad déanta (cruach dhosmálta vs cruach rialta) agus cé mhéad a cheannaíonn tú. Mar shampla, cosnaíonn cinn cruach dhosmálta beagán níos mó chun cinn ach fanfaidh siad níos fearr in áiteanna le huisce nó le ceimiceáin. Má cheannaíonn tú braon láithreach, leagfaimid an praghas síos - agus níl aon ordú íosta más gá duit. Ós rud é go ndéanaimid sinn féin iad, ní chiallaíonn aon duine meánach go bhfaigheann tú margadh maith gan coirnéil a ghearradh ar cé chomh maith agus a oibríonn siad.



        Dáileadh margaidh

        Margadh
        Na Coimisinéirí Ioncaim (An bhliain roimhe sin)
        Ioncam Iomlán (%)
        Meiriceá Thuaidh
        Faoi rún

        25

        Meiriceá Theas
        Faoi rún
        2
        Oirthear na hEorpa
        Faoi rún
        16
        Oirdheisceart na hÁise
        Faoi rún
        3
        Afraic
        Faoi rún
        2
        Aigéine
        Faoi rún
        2
        Lár-Oirthear 
        Faoi rún
        3
        Oirthear na hÁise
        Faoi rún
        16
        Iarthar na hEorpa
        Faoi rún
        17
        Meiriceá Láir
        Faoi rún
        8
        Tuaisceart na hEorpa
        Faoi rún
        1
        Deisceart na hEorpa
        Faoi rún
        3
        Áise Theas
        Faoi rún
        7
        Margadh Baile
        Faoi rún
        8



        Hot Tags: Cnó subh árasán heicsidheachúlach, an tSín, Monaróir, Soláthraí, Monarcha
        Catagóir Gaolmhar
        Seol Fiosrúchán
        Ná bíodh drogall ort d’fhiosrúchán a thabhairt san fhoirm thíos. Tabharfaimid freagra duit i 24 uair an chloig.
        X
        Úsáidimid fianáin chun eispéireas brabhsála níos fearr a thairiscint duit, chun anailís a dhéanamh ar thrácht an tsuímh agus chun inneachar a phearsantú. Trí úsáid a bhaint as an suíomh seo, aontaíonn tú lenár n-úsáid a bhaint as fianáin. Beartas Príobháideachta
        Diúltaigh Glac