De ghnáth déantar na graí seamaithe NA do bhord PCB ó chóimhiotail chruach maith, cosúil le cruach ísealcharbóin nó cruach dhosmálta, nó alúmanam. Tá neart láidir meicniúil acu agus coinníonn siad suas go maith le himeacht ama.
Tugann cinn cruach an neart teanntachta agus lomadh is mó. Ar an láimh eile, seolann na cinn alúmanaim leictreachas go deas agus tá siad éadrom.
Ciallaíonn an miotail a roghnaíodh do na studs seo gur féidir leo ualaí meicniúla troma, strus ó thimthriallta téimh agus fuaraithe a láimhseáil, agus fanacht láidir an t-am ar fad a bhíonn an táirge in úsáid.
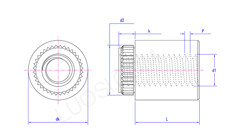
Is ceanglóir buan agus ard-neart é graí seamaithe na NA le haghaidh bord PCB a úsáidtear chun pointe seasta snáithithe iontaofa seachtrach a sholáthar ar chláir chiorcad priontáilte (PCBanna). Anseo, is gnách go léiríonn "NA" "Caighdeán Náisiúnta Éide", ag tagairt don chineál snáithe scriú caighdeánaithe atá aige (cosúil le UNC nó UNF), rud a chinntíonn a chomhoiriúnacht le cnónna caighdeánacha éagsúla.
Tá an próiseas suiteála tapa agus éifeachtach. Cuir an graí isteach sa pholl réamh-druileáilte ar an mbord PCB. Ansin, bain úsáid as uirlis seamaithe tiomnaithe chun foirceann cothrom na graí a dhífhoirmiú, rud a fhágann go leathnóidh sé amach agus go mbeidh greim daingean aige idir an ceann seam agus gualainn nó flange na graí, rud a chruthaíonn nasc láidir agus creathadh-resistant gan gá le táthú.
Tá an modh seo oiriúnach go háirithe do chásanna a dteastaíonn uathu, in ainneoin strus mór meicniúil, dul faoi oibríochtaí plug-in iolracha, nó ina bhféadfadh an teas a ghintear trí tháthú damáiste a dhéanamh do chomhpháirteanna íogaire.
Cuirtear na graí seamaithe seo de chuid na NA le haghaidh bord PCB chun úsáid a bhaint as modh fuarfhoirmithe nó seamaithe.
Greamaíonn tú an graí trí pholl réamh-druileáilte sa PCB. Ansin lúbann uirlis seamaithe speisialta shank na graí i gcoinne dísle faoin gclár, ag cruthú glas buan, flared a choinníonn ina áit é.
Gineann an modh próiseála fuar níos lú teasa agus ní dhéanfaidh sé damáiste don laminate PCB nó ciorcadra. Nuair a bhíonn siad suiteáilte i gceart, soláthraíonn na studs fosúchán láidir agus creathadh-resistant gan cur isteach ar struchtúr an bhoird chuaird.

| Margadh | Na Coimisinéirí Ioncaim (An bhliain roimhe sin) | Ioncam Iomlán (%) |
| Meiriceá Thuaidh | Faoi rún | 20 |
| Meiriceá Theas | Faoi rún | 4 |
| Oirthear na hEorpa | Faoi rún | 24 |
| Oirdheisceart na hÁise | Faoi rún | 2 |
| Afraic | Faoi rún | 2 |
| Aigéine | Faoi rún | 1 |
| Lár-Oirthear | Faoi rún | 4 |
| Oirthear na hÁise | Faoi rún | 13 |
| Iarthar na hEorpa | Faoi rún | 18 |
| Meiriceá Láir | Faoi rún | 6 |
| Tuaisceart na hEorpa | Faoi rún | 2 |
| Deisceart na hEorpa | Faoi rún | 1 |
| Áise Theas | Faoi rún | 4 |
| Margadh Baile | Faoi rún | 5 |