Baile > Táirgí > Boltach > Bolt Ceann Cearnóg > Bolt Ceann Cearnóige Cearnóige
      Bolt Ceann Cearnóige Cearnóige
      • Bolt Ceann Cearnóige CearnóigeBolt Ceann Cearnóige Cearnóige
      • Bolt Ceann Cearnóige CearnóigeBolt Ceann Cearnóige Cearnóige

      Bolt Ceann Cearnóige Cearnóige

      Is féidir le bolt ceann cearnógach an ceann bolt a cheadú chun dul isteach i ndromchla na suiteála, ag cinntiú dromchla réidh agus álainn agus ag an am céanna ag seachaint na n -ábhar agus na mbuachaillí, rud a fhágann go bhfuil siad oiriúnach le haghaidh ócáidí a dteastaíonn cuma agus sábháilteacht uathu. Má theastaíonn dromchla cothrom uait, is féidir leat Xiaoguo® an bolt seo a roghnú. Cuireann an ceann cuntair ar chumas an bolt cloí go réidh leis an dromchla. Déanaimid boltaí de mhéideanna éagsúla a tháirgeadh agus tá siad i stoc. Is féidir leat teagmháil a dhéanamh linn ag am ar bith le haghaidh fiosruithe.
      Mionsamhail:MS 9397-2000

      Seol Fiosrúchán

      Cur síos ar an Táirge

      Ceann aBolt Ceann Cearnóige CearnóigeTá sé cearnógach agus tá bevel ann ar féidir leis dul go hiomlán isteach i bpoll an ábhair a bhfuil sé ceangailte leis. Ar an mbealach seo, ní bheidh an ceann bolt ag dul i léig agus beidh an dromchla níos cothroime. Má shaothraíonn tú áilleacht, is féidir leat iad a roghnú.


      Sonraí Táirgí agus Paraiméadair

      Is féidir leat a úsáidBolt Ceann Cearnóige CearnóigeSa tionscal déantúsaíochta troscáin. Is féidir iad a úsáid chun boird, doirse comh -aireachta, srl. Is féidir leo na scriúnna a cheilt. Tar éis é a ghéarú, tá an dromchla réidh agus ní théann sé i bhfeidhm ar chuma fhoriomlán an troscáin. Ní bhraitheann siad freisin míchompordach nuair a bhíonn siad i dteagmháil léi.


      Tá limistéar teagmhála mór ag an eochair Bolt agus is lú an seans go dtitfidh sé amach nuair a dhéantar é a ghéarú, rud a chiallaíonn go bhfuil sé níos éasca oibriú ná an bolt ceann cruinn. Fiú amháin iad siúd nach bhfuil mórán neart acu is féidir leis na boltaí a dhéanamh níos doichte. Caithfear poll cuntair a dhruileáil san ábhar sula suiteáladh é. Tar éis anBolt Ceann Cearnóige CearnóigeDéantar é a scriú isteach, cuirtear an ceann isteach go hiomlán isteach sa pholl agus déantar é a shruthlú le dromchla an ábhair. Ar an mbealach seo, cibé an bhfuil sé suiteáilte ar eitleán nó ar dhromchla cuartha, ní dhéanfaidh sé difear don cothroime foriomlán.


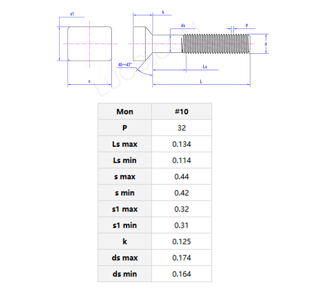
      Square countersunk head bolt parameters

      Pointe Díolacháin Táirgí

      AnBolt Ceann Cearnóige Cearnóigeis é is sainairíonna ann ná a bheith saor ó spás agus folaithe. Tar éis an tsuiteála, tá an ceann bolt ag sruthlú leis an dromchla ábhair agus ní bheidh sé cosúil le gnáthbhonn. Ní théann sé i bhfeidhm ar an gcuma ná ar rudaí eile. Is furasta iad a shuiteáil agus ní bhíonn siad ag duillín go héasca le linn na suiteála, rud a fhágann go bhfuil siad an -phraiticiúil.


      Hot Tags: Bolt Ceann Cearnóg Cearnóg, an tSín, Monaróir, Soláthraí, Monarcha
      Catagóir Gaolmhar
      Seol Fiosrúchán
      Ná bíodh drogall ort d’fhiosrúchán a thabhairt san fhoirm thíos. Tabharfaimid freagra duit i 24 uair an chloig.
      X
      We use cookies to offer you a better browsing experience, analyze site traffic and personalize content. By using this site, you agree to our use of cookies. Privacy Policy
      Reject Accept