Baile > Táirgí > Bolt > Bolt Ceann Babhta > Bolt Súile Smooth Eye
        Bolt Súile Smooth Eye

        Bolt Súile Smooth Eye

        Is boltaí speisialta iad boltaí Smooth Eye Eye le ceann sféarúil agus poll. Ligeann a ndearadh sféarúil mín dóibh cúpláil le seaftaí eile agus rothlú. Úsáidtear boltaí i gcomhthionól troscáin, naisc comhpháirteanna meicniúla, etc. Tá boltaí Smooth Eye Eye Xiaoguo ar phraghas iomaíoch, agus tá feabhsuithe leanúnacha na cuideachta i ndearadh agus i bpróiseas déantúsaíochta tar éis tóir orthu ag ceannaitheoirí.

        Seol Fiosrúchán

        Cur síos ar an Táirge

        Costais loingseoireachta táirgí

        Tá a fhios agat, nuair a bhíonn boltaí Smooth Eye Eye á seoladh agat, tagann an méid a íocann tú i ndáiríre síos ar roinnt rudaí: cé chomh trom is atá do phacáiste, cé chomh mór é, agus cá bhfuil sé i gceannas. Mar an gcéanna, gearrann áit amháin a chonaic mé táille socraithe €10 ar orduithe faoi bhun 10 kilos - rud ar bith níos troime ná sin, agus ardaíonn an praghas. Breathnóidh an chuid is mó de na cuideachtaí loingseoireachta ar mheáchan iarbhír do bhosca nó ar a mheáchan toirtmhéadrach (is é sin go bunúsach an méid spáis a thógann sé), agus gearrfaidh siad táille ort bunaithe ar cibé uimhir is mó. Mar sin más mian leat an costas loingseoireachta iarbhír do d'ordú bolt Eye a fháil amach, is smaoineamh maith é seiceáil go díreach le do sholáthraí nó díreach an t-áireamhán loingseoireachta a úsáid ar a láithreán gréasáin. Ar an mbealach sin gheobhaidh tú fíoruimhir, ní hamháin buille faoi thuairim.

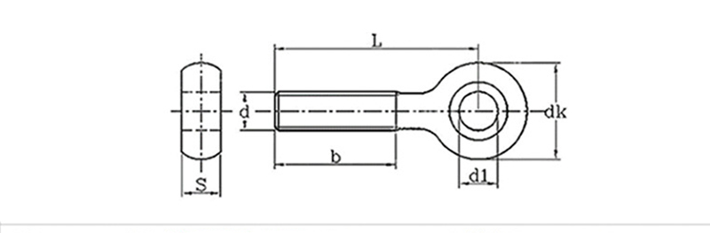
        Saintréithe cuma an táirge

        Mar sin, nuair a fhéachann tú ar bolt Smooth Eye Eye, go bunúsach tá lúb bhabhta agat ar cheann amháin agus deireadh cosúil le scriú ar an taobh eile. Is féidir snáitheanna a bheith ag an gcuid scriú sin - ar a dtugtar an shank - an bealach ar fad síos nó díreach leathbhealach. Tagann roinnt leaganacha freisin le coiléar cothrom díreach faoin tsúil, rud atá fíor-chabhrach toisc go leathnaíonn sé an fórsa níos cothroime má tá tú ag ardú rud éigin ar uillinn. Is dearadh simplí go leor é, ach is é sin an rud a fhágann go bhfuil sé iontaofa mar phointe soladach chun rudaí a cheilt agus tú ag tógáil rudaí troma nó ag socrú rigging.

        Smooth Eye Eye Bolt

        Seisiún C&A

        Ceist: Cad iad na hábhair as a bhfuil do boltaí Smooth Eye Eye déanta?

        Déantar ár boltaí de ghnáth as cruach mheáncharbóin le húsáid rialta. Tá cruach dhosmálta (304/316) againn freisin le haghaidh friotaíocht meirge, agus cruach cóimhiotail le haghaidh poist ard-neart i dtimpeallachtaí diana.

        Smooth Eye Eye Bolt

        mm
        Trastomhas snáithe
        d1
        dk
        s
        M6
        5 10.5 5.4
        M8
        6 13 7
        M10
        8 16 8.5
        M12
        10 19 10.5
        M14
        10 22 12


        Hot Tags: Bolt Súile Smooth Eye
        Catagóir Gaolmhar
        Seol Fiosrúchán
        Ná bíodh drogall ort d’fhiosrúchán a thabhairt san fhoirm thíos. Tabharfaimid freagra duit i 24 uair an chloig.
        X
        Úsáidimid fianáin chun eispéireas brabhsála níos fearr a thairiscint duit, chun anailís a dhéanamh ar thrácht an tsuímh agus chun inneachar a phearsantú. Trí úsáid a bhaint as an suíomh seo, aontaíonn tú lenár n-úsáid a bhaint as fianáin. Beartas Príobháideachta
        Diúltaigh Glac