Baile > Táirgí > Cut > Lámh Scriú An Cnó > Knobs Babhta Le Collar Rollta Cnó
      Knobs Babhta Le Collar Rollta Cnó
      • Knobs Babhta Le Collar Rollta CnóKnobs Babhta Le Collar Rollta Cnó
      • Knobs Babhta Le Collar Rollta CnóKnobs Babhta Le Collar Rollta Cnó

      Knobs Babhta Le Collar Rollta Cnó

      Le haghaidh tairiscint líneach beachtas, roghnaigh Cnónna Babhta chun cinn XIAO GUO le Collar Rolling Nut. Deartha le haghaidh scriúnna liathróid, cinntíonn sé gluaiseacht réidh, ard-éifeachtúlachta, rud a fhágann go bhfuil muid iontaofa Babhta Babhta na Síne le soláthraí Collar Rolling Nut do CNC agus córais uathoibrithe.

      Seol Fiosrúchán

      Cur síos ar an Táirge

      Ar dtús, druileáil poll sa leathán-mhiotal a mheaitseálann na Cnónna Babhta le méid na gCnó Rolla Collar. Ná déan an poll ró-mhór - ar shlí eile, ní ghlasfaidh sé i gceart. Glan amach aon bearrtha miotail atá fágtha sa pholl; d'fhéadfadh go gcuirfeadh siad isteach ar an suiteáil.

      Ansin cuir an cnó isteach sa pholl réamh-druileáilte, ag cinntiú go suíonn sé cothrom i gcoinne an bhileog. Bain úsáid as uirlis phreasa caighdeánach le dísle a oireann do bharr an chnó. Cuir brú seasta, fiú ar an uirlis - mothóidh tú “cliceáil” beag nuair a bheidh sé glasáilte in áit. Coinnigh an brú ar feadh 1-2 soicind chun a chinntiú go bhfuil sé slán.

      Seachain úsáid a bhaint as blows casúr; féadfaidh sé seo an cnó a lúbadh nó damáiste a dhéanamh don leathán miotail. Is fearr a oibríonn sé ar leathán miotail tanaí go meánach (0.5-2mm tiubh). Nuair a bheidh tú suiteáilte, is féidir leat bolt a scriú go réidh gan an cnó a sníomh. Tá Knobs Babhta le Collar Rolling Nut éasca le húsáid fiú do thosaitheoirí, níl aon scileanna casta ag teastáil.

      Pacáistiú Táirge

      Bainimid úsáid as pacáistiú simplí, praiticiúil chun na cnónna a choinneáil sábháilte. Le haghaidh orduithe beaga nó samplaí, tá siad pacáilte i málaí plaisteacha soiléire - de ghnáth 100 nó 200 píosa in aghaidh an mhála. Tá lipéad bunúsach ag gach mála le méid, ábhar, agus uimhir bhaisc, ionas gur féidir leat an méid a theastaíonn uait a fháil go héasca.

      Téann bulcorduithe isteach i gcartáin dhaingne. Ag brath ar an méid cnó, tá 5000 go 10000 píosa i ngach cartán. Cuirimid cúr nó wrap mboilgeog taobh istigh chun iad a stopadh ó scratch nó bogadh thart le linn loingseoireachta. Tá marcanna soiléire ar na cartáin le láimhseáil, cosúil le “coinnigh tirim” nó “gan cruachadh rudaí troma.”

      Más gá duit pacáistiú saincheaptha - cosúil le do lógó ar mhálaí nó méid sonrach in aghaidh an phacáiste - cuir in iúl dúinn agus tú ag ordú. Gan aon stuif mhaisiúil breise, díreach cad a oibríonn le haghaidh stórála agus loingseoireachta. Tagann sé sna roghanna caighdeánacha seo, a oireann don chuid is mó de cheardlanna beaga, monarchana móra, nó riachtanais úsáideoirí DIY.

      Round Knobs With Collar Rolling Nut

      Seisiún C&A

      Cén tiús leathán miotail atá oiriúnach do Chnoic Babhta le Collar Rolling Nut?  

      A: Oibríonn sé is fearr ar leathán miotail tanaí go meánach, le raon tiús 0.5mm go 2.5mm. Ní ligfidh miotail ró-tiubh dó glasáil i gceart, agus d'fhéadfadh sé go ndéanfaí dífhoirmiú le linn na suiteála. Tá ábhair choitianta cosúil le cruach fuar-rollta, alúmanam, agus leatháin chruach dhosmálta ceart go leor. Cinntigh go bhfuil méid an phoill réamh-druileáilte ag teacht le trastomhas seachtrach an chnó - is féidir linn cairt mhéid a sholáthar más gá duit é le haghaidh tagartha.  

      Round Knobs With Collar Rolling Nut

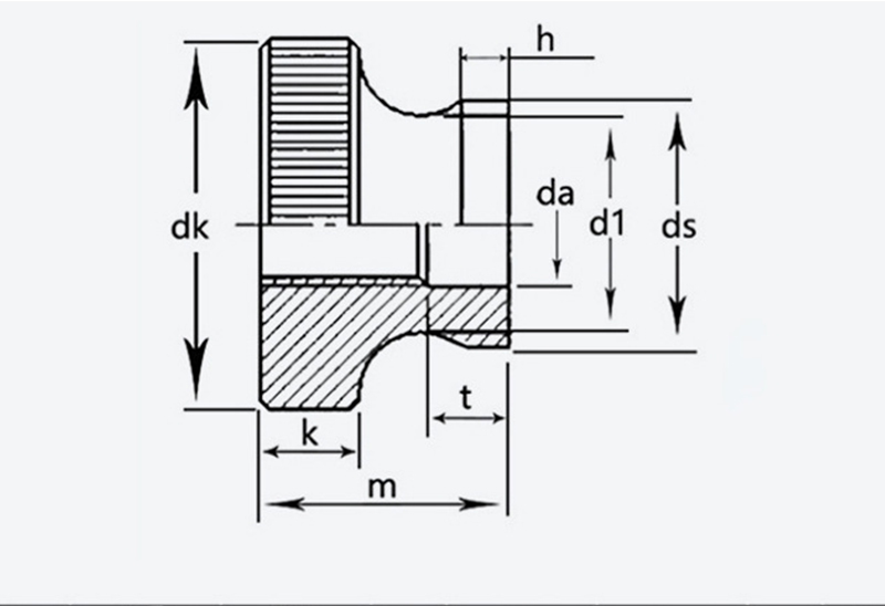
      méid páirc Trastomhas seachtrach Airde k ds da d1 T h
      uas nóim uas nóim uas nóim uas nóim uas
      M3 0.5  11  10.7  6.64  2.8  5.7  3.5  3.2  5.2  1.2 
      M4 0.7  12  11.7  7.64  7.64  4.5  4.2  6.4  2.5  1.5 
      M5 0.8  16  15.7  10  96.6  10  9.64  5.5  5.5 
      M6 20  19.7  12  11.6  12  11.6  6.56  6.2  11  2.5 
      M8 1.25  24  23.7  16  15.6  16  15.6  8.86  8.5  13 
      M10 1.5 30 29.7 20 19.5 8 20 19.5 10.9 10.5 17.2 6.5 3.8
      Hot Tags: Knobs Babhta Le Collar Rollta Cnó, an tSín, Monaróir, Soláthraí, Monarcha
      Catagóir Gaolmhar
      Seol Fiosrúchán
      Ná bíodh drogall ort d’fhiosrúchán a thabhairt san fhoirm thíos. Tabharfaimid freagra duit i 24 uair an chloig.
      X
      We use cookies to offer you a better browsing experience, analyze site traffic and personalize content. By using this site, you agree to our use of cookies. Privacy Policy
      Reject Accept