Baile > Táirgí > Bolt > Bolt Ceann Babhta > Bolt Súl Ardaithe
        Bolt Súl Ardaithe
        • Bolt Súl ArdaitheBolt Súl Ardaithe
        • Bolt Súl ArdaitheBolt Súl Ardaithe
        • Bolt Súl ArdaitheBolt Súl Ardaithe

        Bolt Súl Ardaithe

        Áirítear i gcatalóg fhairsing XIAOGUO® boltaí, cnónna, scriúnna, agus leicneáin atá deartha le haghaidh fíor-mharthanachta.
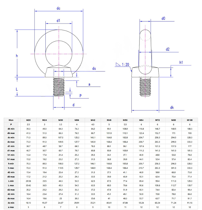
        Mionsamhail:GB/T 885-1986

        Seol Fiosrúchán

        Cur síos ar an Táirge

        Bolg súl ardaithefíorthábhachtach maidir le hinnill ardaithe, lasta a cheangal, agus struchtúir a choinneáil in áit. I dtógáil, úsáidtear iad chun córais HVAC nó bíomaí cruach a chrochadh. In obair mhuirí, cabhraíonn sé le seolta a rigeáil nó le trealamh feistithe a dhaingniú do bháid. Ar stáitse amharclainne, úsáidtear iad chun socruithe soilsithe a chrochadh, agus i siopaí deisithe gluaisteán, coinníonn siad innill in áit le linn deisiúcháin.


        Ní le haghaidh rudaí tionsclaíochta amháin atá siad - b'fhéidir go mbainfeá úsáid astu fiú sa bhaile chun luascán nó rud éigin cosúil leis a chrochadh. Oibríonn siad i ngach rud ó phoist chónaithe beaga go tionscadail tógála móra. Cinntigh gur féidir leis na boltaí súl a úsáideann tú an meáchan a theastaíonn uait a láimhseáil. Tá sé ríthábhachtach na sonraíochtaí ualaigh a sheiceáil chun rudaí a choinneáil sábháilte agus oibriú i gceart, is cuma cén úsáid a bhaineann tú astu.

        Lifting Eye Bolt

        Sonraí an táirge:

        Suiteáilbolt súl ardaithetá an ceart fíor-thábhachtach don chaoi a n-oibríonn siad. Ní mór cinn de chineál gualainn a chur go hiomlán sna poill a dhruileáil tú ar dtús. Mura bhfuil an t-ualach díreach (cosúil le uillinn), bain úsáid as leaganacha súile sclóine ina ionad sin. Ná cuir níos mó meáchain orthu ná an teorainn rátáilte riamh, agus ná húsáid iad má dhéantar damáiste do na snáitheanna. Déan cinnte go bhfuil an t-ualach dírithe ionas nach gcuirfidh tú strus ar an taobh eile. Úsáid leicneáin nó coiléar chun an fórsa a scaipeadh. Chun lastuas a ardú, bain úsáid as fearas rigging deimhnithe leo.

        Paraiméadair táirge

        Lifting Eye Bolts

        CCanna

        C: Conas a roghnaíonn mé idir brionnaithebolt súl ardaitheagus bolt Eye táthaithe?

        A: Tá neart níos airde ag na cinn brionnaithe agus tá siad níos oiriúnaí d'obair ardaithe réad trom. Tá sé seo amhlaidh toisc gur féidir leis an bpróiseas brionnú na snáithíní miotail a shocrú go néata le chéile, rud a fhágann go mbeidh siad níos daingne agus marthanach. Tá praghas an chineáil brionnaithe níos airde i gcomparáid leis an gcineál táthaithe. Tá praghas níos ísle ag an gcineál táthaithe (cosúil le cineál fáinne nó gasket) agus tá sé oiriúnach le haghaidh ualaí statacha neamhchriticiúil. Mar sin féin, d'fhéadfadh go n-éireoidh a seam táthú mar phointe lag, mar sin ní féidir leis ualaí troma a iompar agus tá cumas iompair níos laige aige. I gcásanna inar gá rudaí troma a ardú, ní mór duit boltaí fáinne brionnaithe a roghnú le deimhniú iontaofa (cosúil le ISO 9001). Is féidir na boltaí táthaithe a úsáid le haghaidh fosaithe nó ancaireachta gan fórsaí tobann nó gluaiseachta i ngnáththosca. Mura bhfuil tú cinnte faoi na riachtanais meáchain, téigh i gcomhairle lenár bhfoireann - cabhróimid leat a chinntiú nach ndéanann tú an rogha mícheart.


        Hot Tags: Bolt Súl Ardaithe, An tSín, Monaróir, Soláthraí, Monarcha
        Catagóir Gaolmhar
        Seol Fiosrúchán
        Ná bíodh drogall ort d’fhiosrúchán a thabhairt san fhoirm thíos. Tabharfaimid freagra duit i 24 uair an chloig.
        X
        Úsáidimid fianáin chun eispéireas brabhsála níos fearr a thairiscint duit, chun anailís a dhéanamh ar thrácht an tsuímh agus chun inneachar a phearsantú. Trí úsáid a bhaint as an suíomh seo, aontaíonn tú lenár n-úsáid a bhaint as fianáin. Beartas Príobháideachta
        Diúltaigh Glac