Mar sin, nuair a bhíonn tú ag féachaint ar Lift Assured Eye bolt, gheobhaidh tú go dtagann siad i roinnt ábhar coitianta, agus ag piocadh an ceann ceart i ndáiríre ag brath ar do phost sonrach. Is é an cineál is coitianta a fheicfidh tú ná cruach carbóin. Is é an rogha ghinearálta é do thascanna laethúla ardaithe nach mbaineann aon choinníollacha speisialta leo. Chun cabhrú le meirge a chosc, is gnách go mbíonn plating since ag na boltaí cruach carbóin seo, rud a thugann cuma airgeadach, beagán lonrach dóibh.
Ansin tá cruach dhosmálta. Ba mhaith leat dul leis seo má tá tú ag obair in áiteanna a bhféadfadh rudaí a bheith fliuch nó creimneach, mar shampla gar don aigéan nó i ngléasraí ceimiceacha. Is iad na gráid is coitianta ná 304 agus 316, agus tá 316 beagán níos tromchúisí le haghaidh suíomhanna fíordhian. Ar an láimh eile, má tá tú ag ardú ualaí troma, beidh ort céim suas go dtí bolt súl cruach cóimhiotail brionnaithe. Déantar an t-ábhar seo go sonrach chun riachtanais neart i bhfad níos airde a láimhseáil, agus mar sin tá sé i bhfad níos déine ná do chruach carbóin caighdeánach.
Nuair a gheobhaidh tú boltaí Lift Assured Eye, tabharfaidh tú faoi deara go mbíonn bailchríocha éagsúla orthu go minic. Ní le haghaidh cuma amháin atá sé seo; Is éard atá i gceist leis na cóireálacha dromchla seo ná an bolt a dhéanamh níos faide agus an meirge a chomhrac, rud atá thar a bheith tábhachtach ó thaobh sábháilteachta agus marthanachta.

Fíor-mhodh coitianta a fheicfidh tú ná leictreaphlátála. Seo nuair a chuir siad sraith tanaí de rud éigin cosúil le since nó nicil ar an cruach. Tugann sé cosaint bhunúsach mhaith duit i gcoinne creimeadh agus déanann sé cuma beagán níos gile ar an bolt. Ach má tá rud éigin níos déine ag teastáil uait le haghaidh timpeallacht chrua, cosúil le lasmuigh ag láithreán tógála nó i limistéar muirí tais, bheadh tú ag iarraidh bolt súl galbhánaithe tumtha te a lorg. Cruthaíonn an próiseas seo sciath i bhfad níos tibhe atá i bhfad níos láidre agus is féidir leis i bhfad níos mó mí-úsáide a láimhseáil le himeacht ama.
Tá roghanna eile ann, freisin. Mar shampla, is cóireáil í an ocsaíd dhubh a fhágann an bolt le bailchríoch dorcha neamh-fhrithchaite. Cuireann sé roinnt friotaíocht meirge ar fáil ach is minic a roghnaítear é níos mó as a chuma agus chun glare solais a laghdú. Agus le haghaidh boltaí cruach dhosmálta, is minic a úsáideann siad próiseas ar a dtugtar passivation. D'fhéadfadh sé seo a bheith casta, ach go bunúsach is folctha ceimiceach é a chuidíonn leis an gciseal cosanta nádúrtha ar an cruach dhosmálta a ghlanadh agus a neartú, ag cur lena chumas seasamh in aghaidh meirge.
Ceist: An dtagann do bolta Ardaithe Súl Dearbhaithe le deimhniú? Sea, is féidir linn teastas tástála a thabhairt duit don bolta Súil Ardaithe-Assured. Cruthaíonn sé go gcomhlíonann an bolt Eye caighdeáin cosúil le ASME B18.15, agus deimhníonn sé cén t-ábhar as a bhfuil sé déanta agus a airíonna meicniúla.
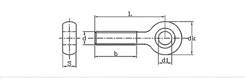
|
mm |
|||
|
Trastomhas snáithe |
d1 |
dk |
s |
|
M6 |
5 |
10.5 |
5.4 |
|
M8 |
6 | 13 | 7 |
|
M10 |
8 | 16 | 8.5 |
|
M12 |
10 | 19 | 10.5 |