Baile > Táirgí > Cut > T-cnó > Cnónna Táthú Stíl T Integral
        Cnónna Táthú Stíl T Integral
        • Cnónna Táthú Stíl T IntegralCnónna Táthú Stíl T Integral
        • Cnónna Táthú Stíl T IntegralCnónna Táthú Stíl T Integral
        • Cnónna Táthú Stíl T IntegralCnónna Táthú Stíl T Integral
        • Cnónna Táthú Stíl T IntegralCnónna Táthú Stíl T Integral
        • Cnónna Táthú Stíl T IntegralCnónna Táthú Stíl T Integral

        Cnónna Táthú Stíl T Integral

        Soláthraíonn an próifíl uathúil T-chruthach seo de Integral T Style Weld Nuts cobhsaíocht agus ailíniú feabhsaithe le linn an phróisis táthú. Tá seachadadh iontaofa agus tráthúil fós ina phríomhthiomantas de chuid Xiaoguo® dá chliaint domhanda, lena n-áirítear monaróirí, dáileoirí, agus comhpháirtithe tionsclaíocha, ag cinntiú oibríochtaí gan uaim ar fud a slabhraí soláthair.
        Mionsamhail:JIS B1196-3.2-1994

        Seol Fiosrúchán

        Cur síos ar an Táirge

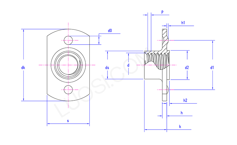
        Tá méideanna caighdeánacha ag cnónna táthú stíl T Integral bunaithe ar mhéid snáithe - cosúil le M4, M5, M6, M8, 1/4 "-20, 5/16" -18 - chomh maith le trastomhas flange, airde iomlán, airde teilgean, agus dearadh cos.

        Tá príomhchaighdeáin a leanann siad, mar shampla ISO 10511, DIN 928 (a úsáidtear go leor san Eoraip), agus sonraíochtaí éagsúla déantóirí gluaisteán. Coinnítear na toisí cruinn chun a chinntiú go n-oibríonn an táthú mar an gcéanna gach uair, go n-oireann snáitheanna i gceart, agus go n-oireann siad flush.

        Tá sé fíorthábhachtach an cnó táthú T-Style ceart a phiocadh le haghaidh tiús an leatháin mhiotail. Cinntíonn sé go bhfuil an táthú láidir agus go gcoimeádann an t-alt suas go maith.

        Buntáistí Táirge:

        Nuair a bheidh cnónna táthú stíl T Integral suiteáilte, ní gá mórán cothabhála a dhéanamh orthu. Sula n-úsáideann tú iad, déan iad a stóráil áit éigin tirim, agus coinnigh olaí nó gunnaí astu - is féidir leo siúd praiseach a dhéanamh den táthú.

        Is é an rud is mó ná na socruithe táthú ceart a fháil: reatha, am, brú. Cinntíonn sé sin go bhfuil an táthú láidir agus comhsheasmhach. Braitheann cé chomh maith agus a sheasann siad le himeacht ama den chuid is mó ar cé chomh maith agus atá an táthú tosaigh, agus an bhfuil an t-ábhar nó an chóireáil dromchla ceart don áit a n-úsáidtear iad.

        Má tá siad táthaithe i gceart, fanann cnónna táthú stíl T Integral mar réiteach snáithithe buan gan stró chomh fada agus a bhíonn an tionól iomlán in úsáid.

        Mon M4 M5 M6 M8 M10 M12
        P 0.7 0.8 1 1, 1.25 1.25, 1.5 1.5, 1.75
        dk max 20.5 20.5 23.7 23.7 31 33.2
        dk min 19.5 19.5 22.3 22.3 29 30.8
        s max 12.25 12.25 14.3 14.3 19.4 21.5
        s min 11.75 11.75 13.7 13.7 18.6 20.5
        ds max 5.9 6.7 8.3 10.2 13.2 15.2
        ds min 5.4 6.2 7.8 9.5 12.5 14.5
        k uas 5.9 6.9 7.5 9 10.6 11.8
        k nóim 5.1 6.1 6.5 8 9.4 10.2
        h uas 1.4 1.4 1.85 1.85 2.3 2.3
        h nóim 1 1 1.35 1.35 1.7 1.7
        d2 max 6.9 6.9 8.9 10.9 12.9 14.9
        d2 nóim 6.7 6.7 8.7 10.7 12.7 14.7
        h2 max 0.8 0.8 0.8 0.8 1.2 1.2
        h2 nóim 0.6 0.6 0.6 0.6 1 1
        d0 max 3.25 3.25 3.25 3.25 4.05 4.05
        d0 nóim 2.75 2.75 2.75 2.75 3.55 3.55
        h1 max 0.6 0.6 0.6 0.6 0.7 0.7
        h1 nóim 0.4 0.4 0.4 0.4 0.5 0.5
        d1 max 15.2 15.2 17.25 17.25 22.3 24.3
        d1 nóim 14.8 14.8 16.75 16.75 21.7 23.7

        Integral T Style Weld Nuts


        Caighdeáin aontaithe:

        Táimid dian faoi sheiceálacha cáilíochta trí chnónna táthaithe Stíl T Integral a dhéanamh. Ciallaíonn sé sin na hábhair a sheiceáil nuair a thagann siad isteach, rudaí cosúil le snáitheanna agus airde teilgean a thomhas ag céimeanna éagsúla táirgeachta, agus tástálacha a dhéanamh a bhriseann páirteanna chun neart táthú a sheiceáil, cé mhéad chasmhóiminte is féidir leo a ghlacadh, agus friotaíocht brú amach. Déanaimid seiceáil freisin ar chríochnú an dromchla agus samplaí de na baisceanna deiridh ag baint úsáide as caighdeáin AQL.

        Bainimid úsáid as rialú próisis staidrimh chun a chinntiú go bhfanann gach cnó T-Stíl comhsheasmhach agus go gcomhlíonann sé na sonraíochtaí.



        Hot Tags: Cnónna Weld Stíl T Integral, an tSín, Monaróir, Soláthraí, Monarcha
        Catagóir Gaolmhar
        Seol Fiosrúchán
        Ná bíodh drogall ort d’fhiosrúchán a thabhairt san fhoirm thíos. Tabharfaimid freagra duit i 24 uair an chloig.
        X
        Úsáidimid fianáin chun eispéireas brabhsála níos fearr a thairiscint duit, chun anailís a dhéanamh ar thrácht an tsuímh agus chun inneachar a phearsantú. Trí úsáid a bhaint as an suíomh seo, aontaíonn tú lenár n-úsáid a bhaint as fianáin. Beartas Príobháideachta
        Diúltaigh Glac