Baile > Táirgí > Cut > Cnó Slotted Heicseagán > Sliotán Heicseagán agus Stíl Cnónna Caisleán 2
        Sliotán Heicseagán agus Stíl Cnónna Caisleán 2

        Sliotán Heicseagán agus Stíl Cnónna Caisleán 2

        Déanann Xiaoguo® sliotáin heicseagán agus cnónna caisleáin 2 a mhonarú. Tá an struchtúr barr sliotán heicseagánach curtha in oiriúint do ghlasáil an bhioráin chotter chun scaoileadh creathadh a chosc. Is cruach carbóin nó cruach dhosmálta an t-ábhar, tá an dromchla ghalbhánuithe / cóireáilte dacromet.
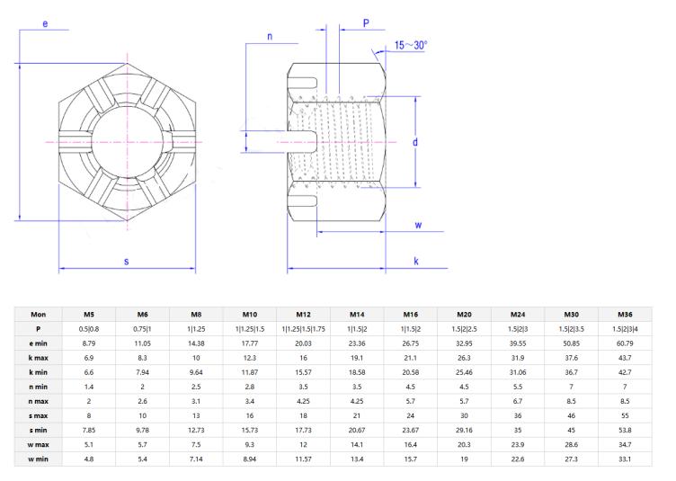
        Mionsamhail:GB/T 6180-1986

        Seol Fiosrúchán

        Cur síos ar an Táirge


        Sliotán heicseagán agus stíl cnónna caisleáin 2a úsáidtear go forleathan i gcóimeáil gluaisteán, trealamh iarnróid agus innealra talmhaíochta. Mar shampla, is féidir socrú acastóra tarracóra agus frith-scaoileadh boltaí droichead a chomhcheangal le bioráin chun árachas dúbailte a bhaint amach. Tacaíonn Xiaoguo® le saincheapadh sonraíochta M6-M24 chun freastal ar riachtanais friotaíochta tionchair trealaimh throma.


        Sonraí agus paraiméadair an táirge

        An dearadh barr sliotán deSliotán heicseagán agus stíl cnónna caisleáin 2is féidir leis an bioráin cotter a ghlasáil agus é a ghlasáil go daingean gan a bheith buartha faoi chreathadh agus scaoileadh. Mar shampla, tá scaireanna céachta agus gabhálais tarracóra ar innealra talmhaíochta cobhsaí go háirithe nuair a shocraítear iad leis an gcnó seo; trealamh mór lasmuigh cosúil le craenacha agus ardaitheoirí gá freisin le cúnamh óSliotán heicseagán agus stíl cnónna caisleáin 2le haghaidh sábháilteachta.

        Xiaoguo® arSliotán heicseagán agus stíl cnónna caisleáin 2comhlíontach le RoHS agus cuireann sé roghanna plating atá neamhdhíobhálach don chomhshaol ar nós pasivation saor ó chróim.

        Hexagon slotted and castle nuts style 2


        Hexagon slotted and castle nuts style 2

        Dáileadh Margaidh

        Margadh
        Na Coimisinéirí Ioncaim (An bhliain roimhe sin)
        Ioncam Iomlán (%)
        Meiriceá Thuaidh
        Faoi rún
        20
        Meiriceá Theas
        Faoi rún
        9
        Oirthear na hEorpa
        Faoi rún
        21
        Oirdheisceart na hÁise
        Faoi rún
        5
        Lár-Oirthear
        Faoi rún
        3
        Oirthear na hÁise
        Faoi rún
        10
        Iarthar na hEorpa
        Faoi rún
        16
        Áise Theas
        Faoi rún
        6
        Margadh Baile
        Faoi rún
        5


        CCanna

        Sinc vs dhosmálta le haghaidhSliotán heicseagán agus stíl cnónna caisleáin 2?

        Ag brath ar an iarratas.

        Costas: Tá cruach since-phlátáilte níos saoire do thionscadail bhuiséid.

        Friotaíocht chreimthe: Tá feidhmíocht níos fearr ag cruach dhosmálta (le cróimiam) i dtimpeallachtaí crua.

        Neart: Tá neart agus marthanacht níos airde ag cruach dhosmálta.

        Riosca creimthe galbhánacha: Is féidir leis an gcreimeadh a luathú trí pháirteanna since-phlátáilte agus cruach dhosmálta a chomhcheangal.


        Ábhar Táirge

        Tá Heicseagán Slotted agus Castle Nuts Style 2 déanta as cruach carbóin den chuid is mó d'iarratais ghinearálta. Is gnách go bhfuil an cruach carbóin a úsáidtear de ghrád íseal go meánach, a chothromaíonn machinability agus neart bunúsach. Ceadaíonn an t-ábhar seo sliotán beacht (príomhghné cnónna caisleáin) agus snáithiú le linn táirgeadh, ag cinntiú go n-oireann an cnó le bioráin cotter i gceart le haghaidh frith-scaoilte. I gcás timpeallachtaí a dteastaíonn friotaíocht creimeadh uathu, mar shampla innealra lasmuigh, trealamh mara, nó suíomhanna tionsclaíocha tais, tá leaganacha cruach dhosmálta (304 agus 316 grád den chuid is mó) ar fáil. Déantar cóireálacha dromchla ar roinnt cnónna freisin mar phlátáil since nó sciath ocsaíd dhubh chun ciseal cosanta a chur leis in aghaidh meirge. Leanann an próiseas cóireála dromchla noirm thionsclaíocha bhunúsacha chun a chinntiú go gcloíonn an sciath go daingean, gan scamhadh go héasca le linn suiteála nó úsáide. Braitheann roghnú ábhair ar an úsáid atá beartaithe, agus is é cruach carbóin an rogha chaighdeánach le haghaidh gnáthchoinníollacha laistigh nó lasmuigh.


        Costais iompair táirgí

        Athraíonn costas iompair Heicseagán Slotted agus Castle Nuts Style 2 bunaithe ar chainníocht ordú, achar loingseoireachta, modh iompair, agus cineál ceann scríbe. I gcás orduithe beaga (faoi 5 cileagram de ghnáth), tá seirbhísí tapa idirnáisiúnta cosúil le DHL nó FedEx coitianta. An táille meáchain tosaigh le haghaidh mear den sórt sin idir $13 agus $26, agus cuireann gach cileagram breise thart ar $4 go $11. I gcás orduithe meánmhéide agus mór os cionn 5 cileagram, tá lasta farraige nó lasta aeir níos éifeachtaí ó thaobh costais. Ríomhtar costais lastais farraige de réir toirte nó meáchain (cibé acu is airde), agus cosnaíonn coimeádán 20 troigh thart ar $750 go $1450 ar bhealaí idirnáisiúnta cianaistir. Tá lasta aeir níos tapúla ach 4 go 7 n-uaire níos daoire ná lasta farraige. Tá costais iompair intíre níos ísle; raonta lasta bóthair do 1 tonna cnónna ó $45 go $75 ar achair ghearr. Féadfar táillí imréitigh custaim, táillí árachais, agus táillí treisithe pacáistíochta le haghaidh lastais idirnáisiúnta a áireamh sna costais bhreise. Is minic gur féidir le cainníochtaí ordaithe níos mó rátaí lasta lascainithe a fháil, mar sin moltar costais mhionsonraithe a dhearbhú leis an soláthraí nó an soláthraí lóistíochta roimh ré.




        Hot Tags: Slotted Heicseagán agus Cnónna Caisleán Stíl 2, An tSín, Monaróir, Soláthraí, Monarcha
        Catagóir Gaolmhar
        Seol Fiosrúchán
        Ná bíodh drogall ort d’fhiosrúchán a thabhairt san fhoirm thíos. Tabharfaimid freagra duit i 24 uair an chloig.
        X
        Úsáidimid fianáin chun eispéireas brabhsála níos fearr a thairiscint duit, chun anailís a dhéanamh ar thrácht an tsuímh agus chun inneachar a phearsantú. Trí úsáid a bhaint as an suíomh seo, aontaíonn tú lenár n-úsáid a bhaint as fianáin. Beartas Príobháideachta
        Diúltaigh Glac