Baile > Táirgí > Bolt > Bolt Flange Ceann Heicseagán > Boltaí Ceann Heicseagán Le Flange
        Boltaí Ceann Heicseagán Le Flange
        • Boltaí Ceann Heicseagán Le FlangeBoltaí Ceann Heicseagán Le Flange
        • Boltaí Ceann Heicseagán Le FlangeBoltaí Ceann Heicseagán Le Flange
        • Boltaí Ceann Heicseagán Le FlangeBoltaí Ceann Heicseagán Le Flange

        Boltaí Ceann Heicseagán Le Flange

        Tá flange agus ceann heicseagánach ag na boltaí ceann heicseagán le flange. Taobh thiar den flange tá scriú snáithithe. Is féidir leis an flange an brú a scaipeadh agus brú áitiúil a laghdú. Soláthraíonn monarchaXiaoguo® boltaí de mhéideanna agus sonraíochtaí éagsúla, le seachadadh tapa agus cáilíocht ráthaithe.
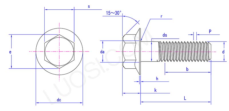
        Mionsamhail:JIS B1189-1987

        Seol Fiosrúchán

        Cur síos ar an Táirge

        Tá ceann heicseagánach na boltaí ceann heicseagán le flange ceangailte leis an flange, agus tá an flange ceangailte leis an scriú. Deireadh leis seoboltaceangailte leis an flange tá scriú go páirteach réidh, agus tá snáitheanna ag an gcuid eile den scriú. Cuirtear an flange in ionad an gasket, rud a laghdaíonn an t-am le haghaidh cóimeála agus coigeartaithe le linn na suiteála. Nuair a bhíonn tú ag obair ar airde, tá an bolt seo níos praiticiúla ná gnáth-bolt. Mar mhonaróir ceanglóir gairmiúil, is féidir le Xiaoguo® boltaí ábhair éagsúla a chumrú de réir cásanna iarratais iarbhír éagsúla. Tá go leor ábhar cosúil le cruach dhosmálta, cruach carbóin, agus cruach cóimhiotail. Is féidir an dromchla a chóireáil freisin le bratuithe resistant creimeadh. Tá méideanna éagsúla ann, cuid acu atá oiriúnach do threalamh mór, cuid acu oiriúnach do threalamh beag, agus cuid acu oiriúnach le haghaidh trealamh cruinneas. Soláthraímid freisin saincheaptha, agus an méid, ábhar agus sonraíochtaí eile a shaincheapadh de réir riachtanas.

        Hexagon head bolts with flange structure diagram

        Mon
        M4 M5 M6 M8 M10 M12 M14 M16
        P 0.7 0.8 1 1|1.25 1.25 | 1.5 1.25 | 1.75 1.5|2 1.5|2
        dc max
        10.5 12 14 17.5 21 25 29 33
        ds max
        4 5 6 8 10 12 14 16
        ds min
        3.9 4.9 5.9 7.85 9.85 11.8 13.8 15.8
        e nóim
        7.74 8.87 11.05 13.25 15.51 18.9 21.1 24.49
        h nóim
        0.6 0.7 0.8 1 1.2 1.4 1.6 1.8
        k uas
        4.2 5 6 8 10 11.5 13.5 15
        r nóim
        0.2 0.2 0.25 0.4 0.4 0.6 0.6 0.6
        s max
        7 8 10 12 14 17 19 22
        s min
        6.8 7.8 9.8 11.75 13.75 16.75 18.65 21.65
        da max
        4.7 5.7 6.8 9.2 11.2 14.2 16.2 18.2

        Feidhmchláir

        Úsáidtear boltaí ceann heicseagán le flange le haghaidh cothabhála gluaisteán agus is féidir iad a úsáid chun páirteanna an innill a athsholáthar. Toisc go creathadh an t-inneall go mór nuair a bhíonn sé ag rith, is féidir iad a úsáid chun na codanna nua a shocrú go daingean. Ag an am céanna, úsáidtear iad chun comhpháirteanna an chassis a dheisiú, rud a d'fhéadfadh a chinntiú nach mbeidh aon fhadhbanna ann leis an chassis nuair a bhíonn an fheithicil ag gluaiseacht.

        Is féidir bolt ceann heicseagán le flange a úsáid chun fearais tí a shuiteáil mar chuisneoirí agus meaisíní níocháin. Creathadh na fearais tí seo agus iad i bhfeidhm. Mura bhfuil siad ceangailte go daingean, ní hamháin go ndéanfaidh siad go leor torainn ach beidh siad seans maith go damáiste freisin. Is féidir leo comhpháirteanna uile na bhfearais tí a nascadh go docht le chéile, tionchar an chreathadh a laghdú agus saol seirbhíse fearais tí a leathnú.

        Úsáidtear bolt ceann heicseagán le flange chun deasca oifige agus cathaoireacha a chur le chéile. Cibé an deasc le fráma miotail nó cathaoirleach oifige le feidhm inchoigeartaithe airde, is féidir leo na comhpháirteanna go léir a shocrú go daingean. In úsáid laethúil, ní bheidh gluaiseacht go minic agus a choigeartú airde na deasc agus cathaoireacha ina chúis le titim as a chéile.

        Is féidir leis na boltaí ceann heicseagán a tháirgtear againn cosc ​​a chur ar thitim troscáin ardán. Is féidir leo an brú a dháileadh ar na cosa boird chroitheadh.

        Úsáid táirge

        An bhfuil bioráin duán leantóra uait nach scaoilfidh?

        Is féidir le boltaí ceann heicseagán le flange iad a shocrú go daingean. Is féidir le diosca an flange cosc ​​a chur ar an gceann bolt as an miotail a chaitheamh, agus is féidir leis an gcruth ceann heicseagánach an cothabháil gréisceach ar thaobh an bhóthair a sheasamh. Ní gá duit iad a sheiceáil go minic. Tar éis a shuiteáil, is féidir leat na hearraí a bhogadh go héasca.

        Hot Tags: Boltaí Ceann Heicseagán Le Flange, An tSín, Monaróir, Soláthraí, Monarcha
        Catagóir Gaolmhar
        Seol Fiosrúchán
        Ná bíodh drogall ort d’fhiosrúchán a thabhairt san fhoirm thíos. Tabharfaimid freagra duit i 24 uair an chloig.
        X
        Úsáidimid fianáin chun eispéireas brabhsála níos fearr a thairiscint duit, chun anailís a dhéanamh ar thrácht an tsuímh agus chun inneachar a phearsantú. Trí úsáid a bhaint as an suíomh seo, aontaíonn tú lenár n-úsáid a bhaint as fianáin. Beartas Príobháideachta
        Diúltaigh Glac