Baile > Táirgí > Cut > Lámh Scriú An Cnó > Uirlisí Crua-earraí Rollta Cnó
        Uirlisí Crua-earraí Rollta Cnó
        • Uirlisí Crua-earraí Rollta CnóUirlisí Crua-earraí Rollta Cnó
        • Uirlisí Crua-earraí Rollta CnóUirlisí Crua-earraí Rollta Cnó

        Uirlisí Crua-earraí Rollta Cnó

        Comhlíonadh agus sábháilteacht an chórais a chinntiú. Comhlíonann an táirge deimhnithe XIAO GUO Hardware Tools Rolling Nut CE caighdeáin dhian. Déantar ár gcnónna a innealtóireacht le haghaidh oibriú iontaofa, fadtéarmach i dtimpeallachtaí tionsclaíocha éilitheacha.

        Seol Fiosrúchán

        Cur síos ar an Táirge

        Áirítear ar na sonraíochtaí Uirlisí Crua-earraí Rolling Nut d'uirlisí crua-earraí go príomha an méid snáithe inmheánach agus an trastomhas seachtrach. Tá raon méideanna snáithe ó M2 go M8, arb iad na cinn is coitianta le haghaidh cóimeála leathán miotail tanaí. Meaitseálann trastomhais seachtracha na snáitheanna seo - téann snáitheanna níos lú le trastomhais níos lú, agus mar sin feistíonn siad na poill réamh-druileáilte i gceart. Piocann tú bunaithe ar an méid bolt a úsáidfidh tú leis.

        Tá gráid simplí: grád caighdeánach agus grád ard-neart. Oibreacha de ghrád caighdeánach do thascanna rialta, amhail lúibíní troscáin nó cásálacha leictreonaice. Tá grád ard-neart déanta as ábhar níos tiús, go maith le haghaidh meaisíní nó páirteanna a gcaithfidh níos mó fórsa a iompróidh gan slipping.

        Tá a shonraíocht agus a grád marcáilte ar an lipéad pacáistithe ar gach cnó, mar sin is furasta an ceann ceart a phiocadh. Gan códú casta, níl ann ach bunuimhreacha agus focail. Uirlisí Crua-earraí Clúdaíonn sonraíochtaí agus gráid Rolling Nut na riachtanais oibre leatháin miotail is coitianta, gan aon roghanna mhaisiúla breise.

        Hardware Tools Rolling Nut

        Rialú cáilíochta táirge

        Tosaímid le seiceálacha amhábhar. Déantar iniúchadh ar gach baisc miotail le haghaidh scoilteanna, dents, nó spotaí laga. Ní dhéantar ach ábhar cáilithe a tháirgeadh - is é seo an chéad chéim chun cáilíocht a choinneáil ar aon dul.

        Le linn táirgeadh, déanaimid seiceálacha ar an láthair go rialta. Breathnaímid ar chruinneas snáithe ar dtús; ní mór dóibh boltaí a fheistiú go réidh gan spotaí daingean nó scaoilte. Déanaimid trastomhas agus tiús seachtrach a thomhas go minic freisin chun a chinntiú go bhfuil siad ag teacht le sonraíochtaí caighdeánacha. Déantar cóireáil dromchla a sheiceáil freisin, rud a chinntíonn nach bhfuil aon phlátáil tanaí nó limistéir caillte ann a d'fhéadfadh meirge a bheith ann.

        Sula ndéantar iad a sheoladh, téann samplaí randamacha ó gach baisc trí thástálacha suiteála. Brúimid isteach iad i leathán miotail agus déanaimid tástáil an bhfuil siad i seilbh go daingean gan sleamhnú. Déanaimid seiceáil freisin le haghaidh aon scratches dromchla nó deformities. Uirlisí Crua-earraí Téann Rolling Nut trí na céimeanna simplí ach dian seo chun a chinntiú go n-oibríonn sé go maith le haghaidh poist tionóil laethúla.

        Seisiún C&A

        C: An meirgefaidh sé go héasca i gceantair tais ar an gcósta?

        A: Braitheann sé ar an gcóireáil dromchla. Féadfaidh cinn since-phlátáilte meirge tar éis 1-2 bhliain i ard-taise. Is fearr cinn ghalbhánuithe te-tumtha nó cruach dhosmálta do cheantair chósta – is féidir leo ceo salainn agus taise a sheasamh ar feadh 5-8 mbliana. Má úsáidtear do tháirgí lasmuigh, molaimid cruach dhosmálta  Cnó a roghnú. Is féidir linn tuarascálacha tástála friotaíochta creimeadh a sholáthar freisin le haghaidh do tagartha.  

        Hardware Tools Rolling Nut


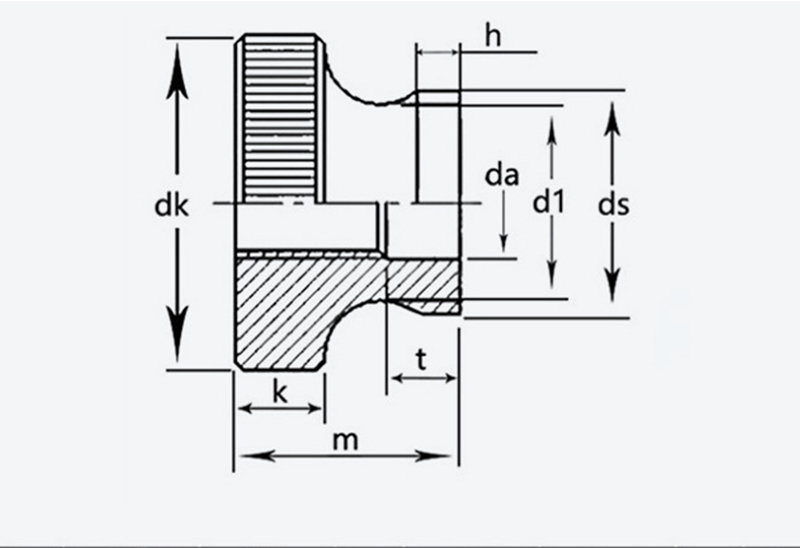
        méid páirc Trastomhas seachtrach Airde k ds da d1 T h
        uas nóim uas nóim uas nóim uas nóim uas
        M3 0.5  11  10.7  6.64  2.8  5.7  3.5  3.2  5.2  1.2 
        M4 0.7  12  11.7  7.64  7.64  4.5  4.2  6.4  2.5  1.5 
        M5 0.8  16  15.7  10  96.6  10  9.64  5.5  5.5 
        M6 20  19.7  12  11.6  12  11.6  6.56  6.2  11  2.5 
        M8 1.25  24  23.7  16  15.6  16  15.6  8.86  8.5  13 
        M10 1.5 30 29.7 20 19.5 8 20 19.5 10.9 10.5 17.2 6.5 3.8
        Hot Tags: Uirlisí Crua-earraí Rollta Cnó, an tSín, Monaróir, Soláthraí, Monarcha
        Catagóir Gaolmhar
        Seol Fiosrúchán
        Ná bíodh drogall ort d’fhiosrúchán a thabhairt san fhoirm thíos. Tabharfaimid freagra duit i 24 uair an chloig.
        X
        Úsáidimid fianáin chun eispéireas brabhsála níos fearr a thairiscint duit, chun anailís a dhéanamh ar thrácht an tsuímh agus chun inneachar a phearsantú. Trí úsáid a bhaint as an suíomh seo, aontaíonn tú lenár n-úsáid a bhaint as fianáin. Beartas Príobháideachta
        Diúltaigh Glac