Baile > Táirgí > Bolt > Bolt Ceann Heicseagán > Bolt heicseagánach leath-snáithithe
        Bolt heicseagánach leath-snáithithe
        • Bolt heicseagánach leath-snáithitheBolt heicseagánach leath-snáithithe
        • Bolt heicseagánach leath-snáithitheBolt heicseagánach leath-snáithithe

        Bolt heicseagánach leath-snáithithe

        Tá bolt heicseagánach leath snáithithe ina bolt le ceann heicseagánach rialta agus gan ach alt snáithithe amháin sa chuid scriú. Más mian leat é a cheannach a chloíonn le caighdeán BS 916-1953, is féidir le Xiaoguo® praghas a lua duit ag am ar bith. Tá na boltaí a tháirgtear ag ár n-mhonarcha ar ardchaighdeán agus ar phraghas íseal, agus ag an am céanna freastal ar do chuid riachtanas. Más gá anois, is féidir linn freastal ort.
        Mionsamhail:BS 916-1953

        Seol Fiosrúchán

        Cur síos ar an Táirge

        Is féidir linn a sholátharleath bolt heicseagánach snáithithei stoc. Is féidir leat ár gcuid táirgí a úsáid le haghaidh tástála. Tá ár boltaí éasca le suiteáil agus durable. Is féidir linn ár liosta praghsanna a roinnt agus is féidir leat an caighdeán táirge a oireann duit a roghnú.


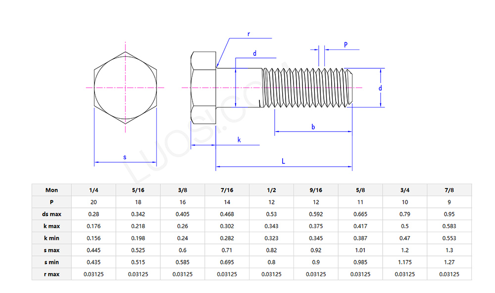
        Sonraí agus paraiméadair an táirge

        Bolg heicseagánach leath snáithithení bhfaighidh sé greamaithe nó duillín nuair a bheidh sé níos doichte. Tá tástálacha diana déanta orthu agus is féidir leo coigeartuithe arís agus arís eile a sheasamh gan chaitheamh. Tá a gcuid dromchlaí brataithe le ocsaíd dhubh, rud a d'fhéadfadh cosc ​​a chur go héifeachtach ar mhion-meirge agus go bhfuil siad an-oiriúnach do chodanna meicniúla a gcaithfear a choigeartú ó am go chéile. Is féidir iad a úsáid chun criosanna iompair a chur le chéile, trealamh talmhaíochta a dheisiú, etc.

        Tá an cineál bolta seo oiriúnach le haghaidh oibre a éilíonn díchóimeáil agus athchóimeáil rialta. Tá na snáitheanna beacht ach níl siad ró-gharbh, mar sin ní gá a bheith buartha faoi mhí-ailíniú snáithe agus páirteanna á gcalabrú. Is maith le meicneoirí iad a úsáid chun comhpháirteanna innill a dteastaíonn cothabháil rialta uathu a dhaingniú, agus úsáideann amaitéaraigh iad chun troscán nó daingneáin ceardlainne a chur le chéile. Is féidir leis an dromchla dubh ramhar agus salachar a chlúdach go héifeachtach.


        Half threaded hexagonal bolt parameters


        Riamh stripped bolt ag iarraidh rud éigin a choigeartú?

        An scriú anleath bolt heicseagánach snáithitheach leath den snáithe, nach bhfuil éasca a bhriseadh nuair tightened le eochair. Tá an dearadh snáithe araon daingean agus éasca le feidhmiú, rud a fhágann go bhfuil sé áisiúil é a dhéanamh níos doichte agus a scaoileadh. Tá sé oiriúnach d'áiteanna a dteastaíonn cothabháil go minic orthu ar nós caidéil agus comhbhrúiteoirí i dtrealamh tionsclaíoch, chomh maith le seilfeanna a d'fhéadfadh go mbeadh gá leo a atheagrú sa bhaile sa todhchaí.


        Hot Tags: Bolt Heicseagánach Leath Snáithithe, an tSín, Monaróir, Soláthraí, Monarcha
        Catagóir Gaolmhar
        Seol Fiosrúchán
        Ná bíodh drogall ort d’fhiosrúchán a thabhairt san fhoirm thíos. Tabharfaimid freagra duit i 24 uair an chloig.
        X
        Úsáidimid fianáin chun eispéireas brabhsála níos fearr a thairiscint duit, chun anailís a dhéanamh ar thrácht an tsuímh agus chun inneachar a phearsantú. Trí úsáid a bhaint as an suíomh seo, aontaíonn tú lenár n-úsáid a bhaint as fianáin. Beartas Príobháideachta
        Diúltaigh Glac