Baile > Táirgí > Cut > Cnó Babhta > Cnónna Babhta Slotted Fully Threaded
        Cnónna Babhta Slotted Fully Threaded
        • Cnónna Babhta Slotted Fully ThreadedCnónna Babhta Slotted Fully Threaded
        • Cnónna Babhta Slotted Fully ThreadedCnónna Babhta Slotted Fully Threaded

        Cnónna Babhta Slotted Fully Threaded

        Deartar Cnónna Babhta Slotted Snáithithe go hiomlán le heangaí ar a n-imeall seachtrach le húsáid le rothairí bioráin. Faoi láthair, tá go leor custaiméirí ag ceannach na dtáirgí seo ón tSín XIAOGUO toisc go bhfuil siad éifeachtach ó thaobh costais agus go bhfuil soláthar cobhsaí agus iontaofa acu.

        Seol Fiosrúchán

        Cur síos ar an Táirge

        Treoracha úsáide táirge

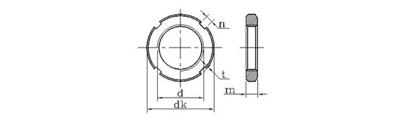
        Cnónna Babhta Slotted Iomlán Snáithithe - déantar iad a shainiú de réir caighdeáin cosúil le DIN 546 agus úsáidtear iad go príomha chun nasc slán daingean a bhaint amach agus is féidir leo vibrations a sheasamh. Tá príomhghné na cnónna seo sna sliotáin gearrtha ag foirceann amháin den chnó. Seo conas iad a úsáid: Ar dtús, scriú an cnó ar bolt nó graí réamh-druileáilte agus níos doichte go dtí an suíomh atá ag teastáil. Tar éis géarú, ailíniú an sliotán leis an poll ar an seafta bolt. Ar deireadh, cuir isteach bioráin oscailte (washer glasála) nó líne sábháilteachta tríd an sliotán ailínithe agus poll bolt, agus ansin Bend foircinn an bioráin chun a chinntiú go bhfuil oiriúnach slán. Mar sin, i láthair creathadh, ní scaoilfidh an cnó.

        Pacáistiú Táirge

        Bunaithe ar thorthaí ár n-imscrúdaithe, cuirimid raon de Chnónna Babhta Slotted Iomlán Snáithithe ar fáil, atá thar a bheith oiriúnach le haghaidh feidhmeanna tionsclaíocha. Is modh coitianta agus praiticiúil iad a phacáistiú i málaí nó boscaí. De ghnáth bíonn líon áirithe cnónna i ngach mála, mar shampla 100 in aghaidh an mhála. Tá an fhoirm mhála seo áisiúil le haghaidh iompair, comhaireamh fardail, agus dáileadh ar an gceardlann nó ar an líne tionóil. De ghnáth bíonn an pacáistiú trédhearcach nó tá lipéid ann, rud a ligeann duit cineál agus méid na cnónna a aithint go tapa. Más monaróir nó ceannaitheoir mór tú, is féidir linn cainníochtaí níos mó de phacáistiú cartán a sholáthar nó an pacáistiú a shaincheapadh de réir do riachtanas. Cuidíonn sé seo le costais a laghdú agus le do shlabhra soláthair tionscadail a dhéanamh níos réidhe.

        Seisiún C&A

        Cad iad na hábhair as a ndéantar do Chnónna Babhta Sliotán Iomlána Snáithithe go hiondúil?

        A: Déanaimid ár gCnónna de ghnáth ó chruach carbóin le húsáid ghinearálta. Tá roghanna cruach dhosmálta againn freisin (gráid 304 agus 316) má tá rud éigin uait a sheasann le meirge, agus cinn práis le haghaidh feidhmeanna neamh-mhaighnéadacha. Roghnaigh an t-ábhar do na Cnónna bunaithe ar cad iad do thimpeallacht agus do riachtanais mheicniúla go sonrach.

        Fully Threaded Slotted Round Nuts


        aonad: mm
        d*P dk m n t Cáilíocht in aghaidh an 1000 táirgí cruach≈kz d*P dk m n t Cáilíocht in aghaidh 1000 táirgí cruach≈kg
        uas nóim uas nóim uas nóim uas nóim
        M10*1 22 8 4.3 4 2.6 2 16.82 M64*2 95 12 8.36 8 4.25 3.5 351.9
        M12*1.25 25 21.58 M65*2 95 342.4
        M14*1.5 28 26.82 M68*2 100 10.36 10 4.75 4 380.2
        M16*1.5 30 5.3 5 3.1 2.5 28.44 M72*2 105 15 518
        M18*1.5 32 31.19 M75*2 105 477.5
        M20*1.5 35 37.31 M76*2 110 562.4
        M22*1.5 38 10 54.91 M80*2 115 608.4
        M24*1.5 42 68.88 M85*2 120 640.6
        M25*1.5 42 68.88 M90*2 125 18 12.43 12 5.75 5 796.1
        M27*1.5 45 75.49 M95*2 130 834.7
        M30*1.5 48 82.11 M100*2 135 873.3
        M33*1.5 52 6.3 6 3.6 3 93.32 M105*2 140 895
        M35*1.5 52 84.99 M110*2 150 14.43 14 6.75 6 1076
        M36*1.5 55 100.3 M115*2 155 22 1369
        M39*1.5 58 107.3 M120*2 160 1423
        M40*1.5 58 109.5 M125*2 165 1477
        M42*1.5 62 121.8 M130*2 170 1531
        M45*1.5 68 153.6 M140*2 180 26 1937
        M48*1.5 72 12 8.36 8 4.25 3.5 201.2 M150*2 200 16.43 16 7.9 7 2651
        M50*1.5 72 186.8 M160*3 210 2810
        M52*1.5 78 238 M170*3 220 2970
        M55*2 78 214.4 M180*3 230 30 3610
        M56*2 85 290.1 M190*3 240 3794
        M60*2 90 320.3 M200*3 250 3978





        Hot Tags: Cnónna Babhta Slotted Iomlán Snáithithe, an tSín, Monaróir, Soláthraí, Monarcha
        Catagóir Gaolmhar
        Seol Fiosrúchán
        Ná bíodh drogall ort d’fhiosrúchán a thabhairt san fhoirm thíos. Tabharfaimid freagra duit i 24 uair an chloig.
        X
        Úsáidimid fianáin chun eispéireas brabhsála níos fearr a thairiscint duit, chun anailís a dhéanamh ar thrácht an tsuímh agus chun inneachar a phearsantú. Trí úsáid a bhaint as an suíomh seo, aontaíonn tú lenár n-úsáid a bhaint as fianáin. Beartas Príobháideachta
        Diúltaigh Glac