Baile > Táirgí > Bolt > Bolt Ceann Babhta > Boltaí ceann cothrom
        Boltaí ceann cothrom
        • Boltaí ceann cothromBoltaí ceann cothrom
        • Boltaí ceann cothromBoltaí ceann cothrom
        • Boltaí ceann cothromBoltaí ceann cothrom

        Boltaí ceann cothrom

        Soláthraíonn Xiaoguo® Company boltaí ceann saincheaptha cothrom. Ní gá duit ach méid, cóireáil dromchla, ábhar, líníochtaí, etc. a insint dúinn. Cuirfimid an luachan is fearr ar fáil duit. Is féidir leat teagmháil a dhéanamh linn ag am ar bith.
        Mionsamhail:GJB 134.4-1986

        Seol Fiosrúchán

        Cur síos ar an Táirge

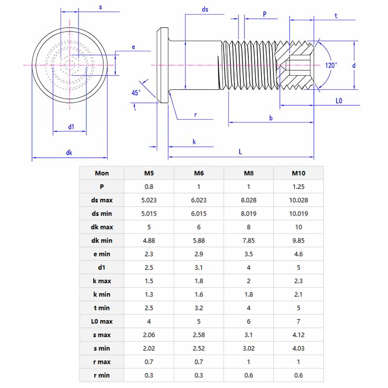
        Ceann anBoltaí ceann cothromatá cothrom. Tar éis é a shuiteáil, is féidir é a shruthlú le dromchla an ábhair sheasta gan píosa a chur i leataobh. Tá an dromchla foriomlán measartha cothrom. Tá an scriú snáithithe. Tá na sonraíochtaí méide éagsúil, idir an M3 níos lú agus an M20 níos mó, srl

        Flat head bolts

        Sonraí Táirgí


        Úsáidtear an bolt chun crua -earraí troscáin a shuiteáil. Úsáidtear iad nuair a bhíonn insí i bhfolach nó sleamhnáin tarraiceán á suiteáil ar chaibinéid. Is féidir é a neadú go hiomlán in adhmad nó i gclár na gcáithníní gan aon chodanna atá ag dul i léig a fhágáil chun éadaí nó tarraiceán a ghabháil.

        AnBoltaí ceann cothroma úsáidtear le haghaidh painéil trealaimh leighis. Maidir le tralaithe leighis nó trealamh íomháithe, éilíonn an painéal cigireachta dúntóirí daingean agus réidh. Is féidir leis an stíl gruaige cothrom lámhainní nó deora máinliachta aonair a chosc agus is furasta é a ghlanadh.

        Is féidir é a úsáid chun trealamh tionsclaíoch a chothabháil agus a dheisiú. B'fhéidir go gcaithfear cuid de na comhpháirteanna de threalamh meicniúil ar scála mór i monarchana a athsholáthar le linn na hoibríochta mar gheall ar chúiseanna mar chreathadh agus caitheamh. Agus na comhpháirteanna seo á n -athshuiteáil, is féidir leo suiteáil daingean a chinntiú, gan cur isteach ar oibriú foriomlán an trealaimh agus éifeachtúlacht táirgthe a fheabhsú.


        Paraiméadair táirge

        Flat head bolts

        Pointe Díolacháin Táirgí

        Dromchla anBoltaí ceann cothromtá siad cothrom agus socraithe go daingean. Tar éis é a shuiteáil, tá sé sruthlaithe leis an dromchla ábhair, atá álainn agus nach gcuireann sé isteach ar nithe eile. Tar éis é a ghéarú, níl sé éasca a scaoileadh fiú faoi chreathadh agus fórsa. Mar shampla dromchlaí troscáin agus casings gléasanna leictreonacha a shocrú, is féidir leo na riachtanais a chomhlíonadh.

        Hot Tags: Boltaí ceann cothrom, an tSín, déantúsóir, soláthróir, monarcha
        Catagóir Gaolmhar
        Seol Fiosrúchán
        Ná bíodh drogall ort d’fhiosrúchán a thabhairt san fhoirm thíos. Tabharfaimid freagra duit i 24 uair an chloig.
        X
        Úsáidimid fianáin chun eispéireas brabhsála níos fearr a thairiscint duit, chun anailís a dhéanamh ar thrácht an tsuímh agus chun inneachar a phearsantú. Trí úsáid a bhaint as an suíomh seo, aontaíonn tú lenár n-úsáid a bhaint as fianáin. Beartas Príobháideachta
        Diúltaigh Glac