Baile > Táirgí > Bolt > Bolt countersunk > Maol 60 ° CONTERSUNK HEAD BOLTS NIB
        Maol 60 ° CONTERSUNK HEAD BOLTS NIB
        • Maol 60 ° CONTERSUNK HEAD BOLTS NIBMaol 60 ° CONTERSUNK HEAD BOLTS NIB
        • Maol 60 ° CONTERSUNK HEAD BOLTS NIBMaol 60 ° CONTERSUNK HEAD BOLTS NIB
        • Maol 60 ° CONTERSUNK HEAD BOLTS NIBMaol 60 ° CONTERSUNK HEAD BOLTS NIB

        Maol 60 ° CONTERSUNK HEAD BOLTS NIB

        Fáilte chun an t -árasán 60 ° CONTERSUNK HEAD NIB BOLTS NIB MATORY XIAOGUO® a cheannach. Tá ár mboltaí áisiúil le húsáid, agus is féidir leis na cinnirí boltaí na boltaí a shocrú go daingean. Tá an -tóir ar na boltaí seo i dtionscail ar nós déantúsaíochta troscáin, tionól leictreonach agus déantúsaíocht mheicniúil.
        Mionsamhail:DIN 604-1981

        Seol Fiosrúchán

        Cur síos ar an Táirge

        AnMaol 60 ° CONTERSUNK HEAD BOLTS NIBBíodh ceann cothrom 60 ° claonta agat is féidir a neadú go hiomlán san ábhar. Tar éis an tsuiteála, tá an dromchla réidh agus cothrom gan stró. Tá tenon beag faoin gceann, ar féidir é a ghéarú i gcomhar leis an gcnó.

        Flat 60°countersunk head nib bolts

        Sonraí Táirgí


        Is féidir é a úsáid chun racaí bagáiste nó líneálacha cábáin a shocrú ar aerárthaí. Tá an tenon 60 ° ag sruthlú leis an bpláta alúmanaim tanaí agus ní bheidh aon fhliuchadh ann. I gcreathadh suaite, is féidir an tenon a chur faoi ghlas láithreach i bpoill an fhostruchtúir. Cumasaigh meicneoirí a bheith ag obair go tapa i spásanna teoranta agus an fhadhb a bhaineann le rothlú bolt a sheachaint.

        Maol 60 ° CONTERSUNK HEAD BOLTS NIBIs féidir é a úsáid chun hangers tarchuir a shuiteáil ar fhrámaí snáithín carbóin. Ní dhéanfaidh an ceann éadomhain 60 ° an ciseal snáithín carbóin tanaí a chuimilt. Cuireann an tenon isteach go daingean ar an iontráil réamh-dhruileáilte agus stopann sé rothlú nuair a dhéantar é a ghéarú go dtí an tsonraíocht bheacht. Ní bheidh sé ina chúis leis an bhfráma briseadh mar gheall ar an iomarca géarú.

        Is féidir é seo a úsáid chun na plátaí clúdaigh de mheaisíní íomháithe athshondais maighnéadaigh núicléach a chur le chéile. Comhlíonann na boltaí na riachtanais sláinteachais. Is féidir na boltaí cuntair 60 ° le cinn chothroma a dhíothú gan stró agus ní phógfaidh siad baictéir. Socrófar an ceann bolt ar an bpláta cruach dhosmálta tanaí nuair a chreagann sé le linn iompair. Is féidir an ceann bolt a shocrú sa limistéar steiriúil gan uirlisí.



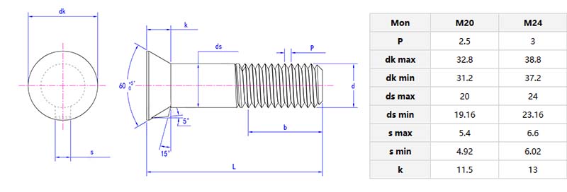
        Paraiméadair táirge


        Flat 60°countersunk head nib bolts

        Pointe Díolacháin Táirgí

        Maol 60 ° CONTERSUNK HEAD BOLTS NIBoiriúnach go docht agus tá siad buan i gcoinne scaoilte. Nascann sé gan stró leis an dromchla ábhair gan stró, agus ní dhéanann sé difear don chuma ná ní scríobann sé rudaí eile. Is féidir an tenon a chlampáil sa groove comhfhreagrach. Nuair a dhéantar an cnó a ghéarú, ní rothlóidh an bolt, agus tá an éifeachtúlacht suiteála ard. Tar éis é a géarú, tá sé socraithe go daingean agus níl sé éasca é a scaoileadh faoi chreathadh agus fórsa, rud a chiallaíonn go bhfuil sé oiriúnach d'úsáid fhadtéarmach.

        Hot Tags: Flat 60�Countersunk Head Nib Bolts, an tSín, Monaróir, Soláthraí, Monarcha
        Catagóir Gaolmhar
        Seol Fiosrúchán
        Ná bíodh drogall ort d’fhiosrúchán a thabhairt san fhoirm thíos. Tabharfaimid freagra duit i 24 uair an chloig.
        X
        Úsáidimid fianáin chun eispéireas brabhsála níos fearr a thairiscint duit, chun anailís a dhéanamh ar thrácht an tsuímh agus chun inneachar a phearsantú. Trí úsáid a bhaint as an suíomh seo, aontaíonn tú lenár n-úsáid a bhaint as fianáin. Beartas Príobháideachta
        Diúltaigh Glac