Baile > Táirgí > Bolt > Bolt Ceann Babhta > Cupán ceann bolt muineál cearnach
        Cupán ceann bolt muineál cearnach
        • Cupán ceann bolt muineál cearnachCupán ceann bolt muineál cearnach
        • Cupán ceann bolt muineál cearnachCupán ceann bolt muineál cearnach
        • Cupán ceann bolt muineál cearnachCupán ceann bolt muineál cearnach

        Cupán ceann bolt muineál cearnach

        Tá monarcha Xiaoguo® feistithe le bolt muineál cearnach ceann Corn de mhéideanna éagsúla. Tá siad an-oiriúnach do thionscadail tógála, mar shampla frámaí cruach a thógáil nó innealra mór a chur le chéile. Cuirfimid luachan mionsonraithe agus lascainí tosaíochta ar fáil.
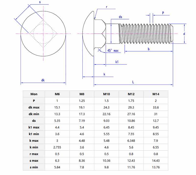
        Mionsamhail:Q 192-1999

        Seol Fiosrúchán

        Cur síos ar an Táirge

        Ceann anCupán ceann bolt muineál cearnachle ceann mór níos mó ná an bolt ceann cupán gnáth. Tá sé múnlaithe cosúil le cupán mór agus féadann sé limistéar níos mó a chlúdach. Tá an chuid íochtair ceangailte le muineál cearnach, agus níos faide síos tá scriú snáithithe.

        Sonraí táirge

        Is minic a úsáidtear iad sa tionscal déantúsaíochta innealra trom, áit ar gá páirteanna trom éagsúla a nascadh nuair a bhíonn craenacha móra á ndéanamh acu. Is féidir leis an gceann mór an brú idir na codanna a dháileadh níos fearr, agus cinntíonn an muineál cearnach nach n-aistreoidh an bolt nuair a bheidh sé níos doichte, rud a chinnteoidh go bhfuil na codanna go léir ceangailte go daingean agus nach scaoilfidh siad nó nach dtitfidh siad nuair a bhíonn an craein ag tógáil rudaí trom.

        Tá an muineál cearnach de bolt an-speisialta. Nuair a shuiteáil tú, déan groove cearnach ar an ábhar a mheaitseálann an muineál cearnach. Tar éis an bolt a chur isteach, beidh an muineál cearnach clampáilte go daingean sa groove. Nuair a bheidh an cnó ag géarú, ní rothóidh an bolt. Is féidir le hoibrithe an cnó a dhianú le lámh amháin, rud a fheabhsaíonn an éifeachtúlacht suiteála agus a dhéanann an nasc níos daingne agus iontaofa.

        Corn ceann cearnach muineál boltis féidir é a úsáid chun imthacaí droichead a nascadh. Iompróidh droichid meáchan na bhfeithiclí agus na vibrations le linn tiomána, mar sin ní mór naisc na n-imthacaí a bheith cobhsaí. Cuireann an deireadh mór ar chumas an imthacaí struchtúr an droichid a oiriúnú níos fearr agus brú a tharchur go cothrom. Coscann an muineál cearnach na boltaí ó rothlú faoi ghníomhaíocht ualaí feithicle, ag cinntiú oibriú sábháilte an droichid.


        Pointe díola táirgí

        Tá tréithe naCupán ceann bolt muineál cearnach"fosúchán cobhsaí agus imthacaí fórsa láidir". Tá limistéar teagmhála níos mó aige leis an ábhar seasta, agus déantar an brú a dháileadh níos cothroime, rud a fhágann gur lú an seans go ndéanfaidh sé damáiste nó dífhoirmiú ar an ábhar. Tá an muineál cearnach clampáilte sa groove réamh-druileáilte. Nuair a bheidh an cnó níos doichte, ní rothlóidh an bolt chomh maith, rud a fhágann go sábhálfar an t-am suiteála agus sábhálfar saothair. Ina theannta sin, tá sé láidir agus durable, in ann fórsaí teanntachta agus comhbhrúiteacha suntasacha a sheasamh.

        Paraiméadair táirge

        Hot Tags: Corn bolt muineál cearnach, an tSín, Monaróir, Soláthraí, Monarcha
        Catagóir Gaolmhar
        Seol Fiosrúchán
        Ná bíodh drogall ort d’fhiosrúchán a thabhairt san fhoirm thíos. Tabharfaimid freagra duit i 24 uair an chloig.
        X
        Úsáidimid fianáin chun eispéireas brabhsála níos fearr a thairiscint duit, chun anailís a dhéanamh ar thrácht an tsuímh agus chun inneachar a phearsantú. Trí úsáid a bhaint as an suíomh seo, aontaíonn tú lenár n-úsáid a bhaint as fianáin. Beartas Príobháideachta
        Diúltaigh Glac