Is cineál ceanglóra iad cnónna clinicithe cruach charbóin a úsáidtear chun plátaí tanaí nó miotail leatháin a nascadh. Tá siad déanta as cruach charbóin, measctha agus múchta chun cruas a mhéadú, agus déantar an dromchla a ghalbhánú nó déantar é a fhrithsheasmhach ar shlí eile.
Tá an cnó cliniciúil ina saothraítear rónta simplí go leor, is féidir leat uirlisí cliniciúla neomatacha nó hiodrálacha a úsáid. Seo an chaoi a n-oibríonn sé: ar dtús, cuir an cnó isteach i bpoll réamh-phoillithe, ansin bain úsáid as punch agus bás chun brú a chur i bhfeidhm. Brúnn an bás an leathán miotail timpeall ar bhóna an chnónna cnó, ag cruthú glas meicniúil soladach i gcéim thapa amháin.
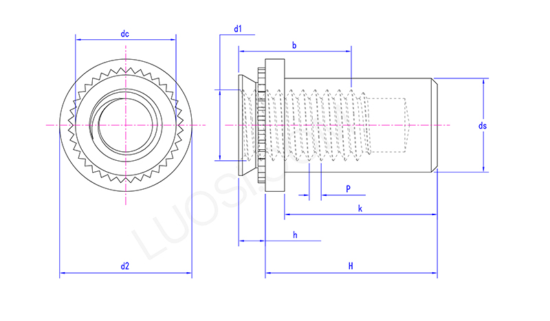
| Duine | M3-1 | M3-2 | M4-1 | M4-2 | M5-1 | M5-2 | M6-1 | M6-2 |
| P | 0.5 | 0.5 | 0.7 | 0.7 | 0.8 | 0.8 | 1 | 1 |
| DS Max | 3.84 | 3.84 | 5.2 | 5.2 | 6.35 | 6.35 | 8.75 | 8.75 |
| DC Max | 4.2 | 4.2 | 5.38 | 5.38 | 6.33 | 6.33 | 8.73 | 8.73 |
| B Min | 5.3 | 5.3 | 7.1 | 7.1 | 7.1 | 7.1 | 7.8 | 7.8 |
| H Max | 0.91 | 1.38 | 0.97 | 1.38 | 0.97 | 1.38 | 1.38 | 1.38 |
| H Max | 9.85 | 9.85 | 11.45 | 11.45 | 11.45 | 11.45 | 14.55 | 14.55 |
| H Min | 9.35 | 9.35 | 10.95 | 10.95 | 10.95 | 10.95 | 14.05 | 14.05 |
| K Max | 8.5 | 8.5 | 9.8 | 9.8 | 9.8 | 9.8 | 12.7 | 12.7 |
| D2 Max | 6.6 | 6.6 | 8.2 | 8.2 | 9 | 9 | 11.35 | 11.35 |
| D2 min | 6.1 | 6.1 | 7.7 | 7.7 | 8.5 | 8.5 | 10.85 | 10.85 |
| D1 | M3 | M3 | M4 | M4 | M5 | M5 | M6 | M6 |
Sainmhínítear cnónna clinicithe cruach carbóin le príomhthomhais: méid snáithe (cosúil le M4, M5, M6, nó 1/4 "-20), trastomhas collar clinch, airde iomlán, toisí washer ina saothraítear rónta, agus an raon tiús leatháin a oibríonn siad le (min agus max araon).
Déantar a neart clinice (cé chomh maith agus a sheasann siad a bheith á mbrú amach nó a chasadh amach) a thástáil i gcoinne chaighdeáin an tionscail (smaoinigh ar ISO, Din, IFI). Is mór an rud é an méid ceart a phiocadh, cinntíonn sé go bhfuil an séala ann agus go bhfuil an cnó láidir go leor don phost.
Chun an cnó a shéalú cruach charbóin a shuiteáil, tá uirlis chliniciúil speisialaithe de dhíth ort agus tacaíonn tú go díreach a oireann go díreach do mhéid an chnó. Ar an gcéad dul síos, cuir an cnó isteach i bpoll réamh-punched sa leathán miotail. Ansin cuireann an uirlis brú rialaithe i bhfeidhm, rud a fhágann go dtéann píolótach an chnó agus an knurl isteach sa mhiotal máguaird. Glasálann an próiseas fuarfhoirmithe seo an cnó cruach dhosmálta atá i bhfeidhm go maith agus ag an am céanna, cuireann sé an washer séalaithe tógtha isteach i gcoinne an phainéil. Sin an chaoi a gcruthaíonn sé an séala sceite a fhágann go bhfuil na cnónna seo uathúil.
