Baile > Táirgí > Cut > Lámh Scriú An Cnó > Dubh Nicil Plating Rollta cnó
        Dubh Nicil Plating Rollta cnó
        • Dubh Nicil Plating Rollta cnóDubh Nicil Plating Rollta cnó
        • Dubh Nicil Plating Rollta cnóDubh Nicil Plating Rollta cnó

        Dubh Nicil Plating Rollta cnó

        Foinse durable Dubh Nicil Plating Comhpháirteanna Rolling Cnó go díreach. Mar phríomh-mhonarcha na Síne Dubh Nickel Plating Rolling Cnó, mhonaraíonn XIAO GUO cnónna le imthacaí liathróid athfhillteach le haghaidh frithchuimilte íosta, saolré fada, agus cumas ualaigh ard.

        Seol Fiosrúchán

        Cur síos ar an Táirge

        Is é an rogha is coitianta ná an cnó rollta nicile dubh déanta as cruach carbóin .. Tá sé láidir go leor le haghaidh poist leathán miotail rialta, mar thionól troscáin nó réitigh trealaimh bheaga. Tá plating since ag an chuid is mó de na cinn cruach carbóin chun meirge a choinneáil ar shiúl, a oibríonn go maith le húsáid laistigh nó le spotaí clúdaithe lasmuigh.

        Maidir le timpeallachtaí tais nó úsáid lasmuigh, is rogha níos fearr é cruach dhosmálta. Coinníonn sé in aghaidh taise agus creimeadh, fiú i limistéir beagán saillte in aice leis an gcósta. Tá leaganacha alúmanam againn freisin do riachtanais éadroma - a úsáidtear go príomha i leictreonaic, áit a bhféadfadh páirteanna trom difear a dhéanamh ar fheidhmíocht an fheiste.

        Comhlíonann na hábhair go léir caighdeáin bhunúsacha an tionscail, gan aon chóireálacha breise gan ghá. Pioc cruach carbóin le haghaidh tascanna laethúla, cruach dhosmálta le haghaidh áiteanna fliucha, agus alúmanam le haghaidh obair éadrom. Clúdaíonn roghanna ábhar Black Nickel Plating Rolling Nut na riachtanais tionóil is coitianta, gan aon bhreiseáin mhaisiúla ach roghanna praiticiúla.


        Cóireáil dromchla táirge

        Is é plating since an rogha is coitianta. Is próiseas bunúsach é a chuidíonn le meirge a chosc, atá go maith le húsáid laistigh nó le spotaí clúdaithe lasmuigh. Ní chuireann sé tiús breise, mar sin ní bheidh tionchar aige ar an gcaoi a luíonn an cnó isteach sa pholl leathán miotail le linn na suiteála. Tagann an chuid is mó de chnónna úsáide laethúil leis an gcóireáil seo.

        Le haghaidh friotaíocht creimeadh níos fearr, tá galbhánú te-tumtha ann. Tá sé níos tibhe ná plating since rialta, mar sin coinníonn sé suas níos faide i limistéir tais nó áiteanna le taise beag, cosúil le ceardlanna in aice leis an gcósta. Maidir le cnónna cruach dhosmálta, déanaimid cóireáil éighníomhach - ní dhéanann sé ach a gcumas nádúrtha meirge-dhíonach a threisiú gan a gcuma a athrú.

        Níl aon bratuithe mhaisiúil anseo, ach cinn phraiticiúla. Pioc plating since le haghaidh riachtanas caighdeánach, galbhánú te-tumtha le haghaidh timpeallachtaí tais, agus pasivation do mhúnlaí cruach dhosmálta. Baineann cóireálacha dromchla Black Nickel Plating Rolling Nut le cosaint bhunúsach, ag feistiú na gcásanna cóimeála leathán miotail is coitianta.

        Black Nickel Plating Rolling Nut

        Seisiún C&A

        C: An féidir liom é a shuiteáil gan uirlisí gairmiúla?

        A: Ní hea, is gá duit bunuirlis preasa nó meaisín seamaithe beag. Ní mholtar casúr láimhe; déanfaidh sé damáiste do snáitheanna an chnó nó déanfaidh sé scaoilte é. I gcás baisceanna beaga, oibríonn uirlis brúigh láimhe láimhe. Le haghaidh orduithe móra, tá meaisín preas uathoibríoch níos éifeachtaí. Is féidir linn samhlacha uirlisí a mholadh freisin a oireann dár gcuid táirgí mura bhfuil an ceann ceart agat fós.  

        Black Nickel Plating Rolling Nut



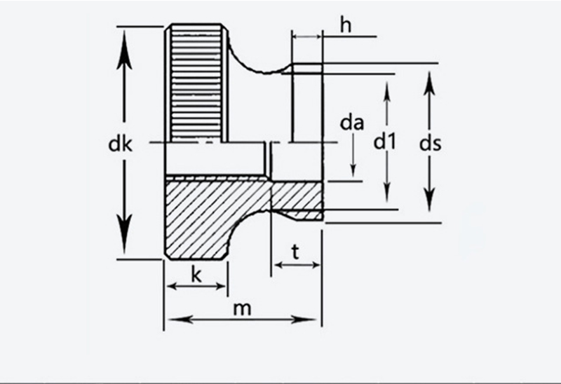
        méid páirc Trastomhas seachtrach Airde k ds da d1 T h
        uas nóim uas nóim uas nóim uas nóim uas
        M3 0.5  11  10.7  6.64  2.8  5.7  3.5  3.2  5.2  1.2 
        M4 0.7  12  11.7  7.64  7.64  4.5  4.2  6.4  2.5  1.5 
        M5 0.8  16  15.7  10  96.6  10  9.64  5.5  5.5 
        M6 20  19.7  12  11.6  12  11.6  6.56  6.2  11  2.5 
        M8 1.25  24  23.7  16  15.6  16  15.6  8.86  8.5  13 
        M10 1.5 30 29.7 20 19.5 8 20 19.5 10.9 10.5 17.2 6.5 3.8
        Hot Tags: Dubh Nicil Plating Rolling Nut, an tSín, Monaróir, Soláthraí, Monarcha
        Catagóir Gaolmhar
        Seol Fiosrúchán
        Ná bíodh drogall ort d’fhiosrúchán a thabhairt san fhoirm thíos. Tabharfaimid freagra duit i 24 uair an chloig.
        X
        Úsáidimid fianáin chun eispéireas brabhsála níos fearr a thairiscint duit, chun anailís a dhéanamh ar thrácht an tsuímh agus chun inneachar a phearsantú. Trí úsáid a bhaint as an suíomh seo, aontaíonn tú lenár n-úsáid a bhaint as fianáin. Beartas Príobháideachta
        Diúltaigh Glac