Baile > Táirgí > Bolt > Bolt Ceann Babhta > Bolt muineál cearnach ceann cupán dubh
        Bolt muineál cearnach ceann cupán dubh
        • Bolt muineál cearnach ceann cupán dubhBolt muineál cearnach ceann cupán dubh
        • Bolt muineál cearnach ceann cupán dubhBolt muineál cearnach ceann cupán dubh
        • Bolt muineál cearnach ceann cupán dubhBolt muineál cearnach ceann cupán dubh

        Bolt muineál cearnach ceann cupán dubh

        Tá bolt muineál cearnach ceann cupán dubh suiteáilte go daingean agus tá dea-fheidhmíocht frith-duillín aige. Is minic a úsáidtear é i ndéantúsaíocht agus cóimeáil trealaimh. Tá monarcha Xiaoguo® i gcomhréir go docht le caighdeán JIS B1171-3-1996, is féidir leat teagmháil a dhéanamh linn ag am ar bith.
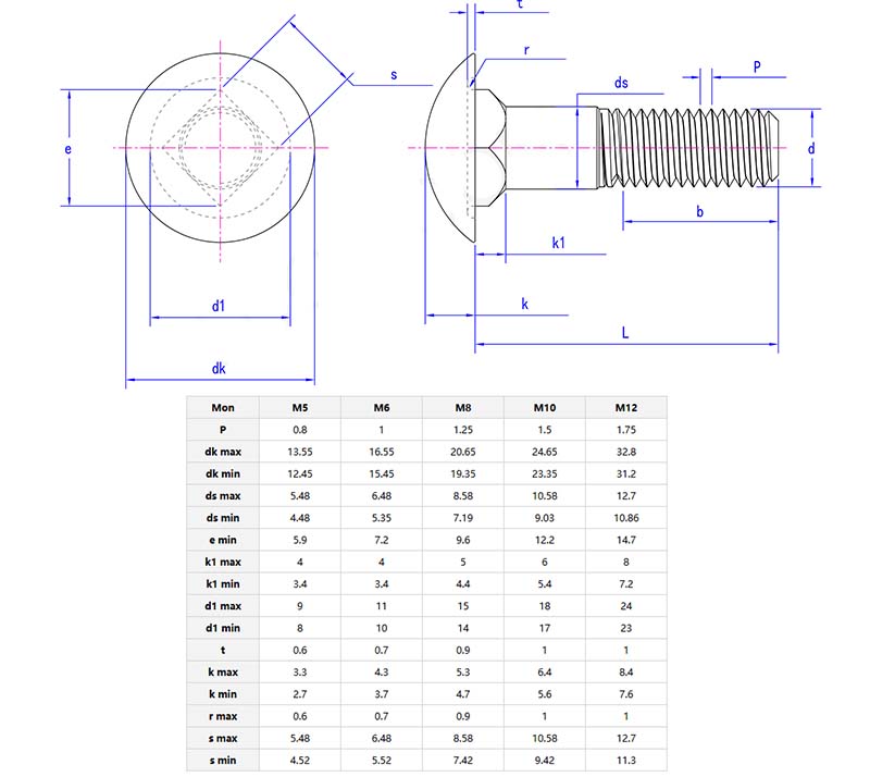
        Mionsamhail:JIS B1171-3-1996

        Seol Fiosrúchán

        Cur síos ar an Táirge

        Ceann anBolt muineál cearnach ceann cupán dubhtá cupán-chruthach, le muineál cearnach ceangailte thíos, agus tá groove timpeall an mhuineál. Déantar é de ghnáth as cruach carbóin nó cruach dhosmálta. Cuirimid samplaí saor in aisce ar fáil le trastomhais ó M6 go M20.

        Sonraí táirge

        Úsáidtear iad i ndéantúsaíocht troscáin. Nuair a tháirgeann monarchana troscáin troscán adhmaid soladach, mar shampla táblaí agus cathaoireacha, úsáidfidh siad iad. Agus an tábla agus na cosa boird á nascadh, druileáil poill ag an nasc ar dtús. Ailínigh na grooves bolt leis na poill agus cuir isteach iad. Is féidir leis an muineál cearnach cosc ​​a chur ar na boltaí ó rothlú agus iad ag géarú na cnónna. Ní dhéanfaidh an ceann cupán dromchla an adhmaid a scratáil. Tar éis géarú, tá an tábla daingean agus ní scaoilfidh sé fiú tar éis roinnt blianta úsáide.

        Boltaí muineál cearnach ceann cupán dubhúsáidtear iad chun gléasanna leictreonacha ar nós cásanna ríomhaire agus printéirí a chur le chéile. Tá spás inmheánach feistí leictreonacha beag agus tá go leor codanna ann. Is féidir leo comhpháirteanna cosúil le cláir chiorcad agus casings a shocrú go daingean. Cosc ar na grooves boltaí ó scaoileadh. Ní thógann na cinnirí cupáin spás agus ní bheidh siad i dteagmháil le codanna eile, ag cinntiú gnáthoibriú an trealaimh.


        Black cup head square neck bolt

        Pointe díola táirgí

        Tá anBoltaí muineál cearnach ceann cupán dubhtá éifeacht mhaith frith-scaoilte acu agus tá siad éasca le suiteáil. Is féidir a sliotán a chur isteach i bpoill an ábhair agus níl sé éasca a scaoileadh tar éis a bheith níos doichte. Ní chasfaidh an muineál cearnach nuair a bheidh an cnó ag géarú, rud a shábháil go leor trioblóide. Is féidir le ceann an cupáin an brú a dháileadh go cothrom agus ní dhéanfaidh sé damáiste don ábhar. Agus tá sé inacmhainne.

        Paraiméadair táirge

        Black cup head square neck bolt


        Treoracha úsáide táirge

        Úsáidtear bolt muineál cearnach ceann cupán dubh trí roinnt céimeanna simplí. Gcéad dul síos, druileáil poll sna píosaí oibre is gá a nascadh; ba chóir go mbeadh trastomhas an phoill ag teacht le méid shank an bolt chun a chinntiú go bhfuil sé oiriúnach. Ansin, cuir an bolt isteach sa pholl, ag cinntiú go n-oireann an muineál cearnach isteach sa sliotán nó sa chuas comhfhreagrach ar dhromchla an phíosa oibre - cuireann an dearadh muineál cearnach seo cosc ​​ar an bolt rothlú le linn na suiteála. Ansin, cuir washer ar an taobh eile den bolt más gá, ansin scriú ar chnó ag baint úsáide as eochair. Déan an cnó níos doichte de réir a chéile go dtí go bhfuil na píosaí oibre clampáilte go daingean le chéile. Seachain ró-ghéarú chun damáiste a chosc don snáithe nó don phíosa oibre. Tá an modh seo oiriúnach le haghaidh adhmadóireachta, cóimeála miotail, agus cásanna socraithe tionsclaíocha éagsúla ina bhfuil gá le frith-uainíocht agus ceanglóir cobhsaí.



        Hot Tags: Bolt muineál cearnach ceann cupán dubh, an tSín, Monaróir, Soláthraí, Monarcha
        Catagóir Gaolmhar
        Seol Fiosrúchán
        Ná bíodh drogall ort d’fhiosrúchán a thabhairt san fhoirm thíos. Tabharfaimid freagra duit i 24 uair an chloig.
        X
        Úsáidimid fianáin chun eispéireas brabhsála níos fearr a thairiscint duit, chun anailís a dhéanamh ar thrácht an tsuímh agus chun inneachar a phearsantú. Trí úsáid a bhaint as an suíomh seo, aontaíonn tú lenár n-úsáid a bhaint as fianáin. Beartas Príobháideachta
        Diúltaigh Glac